EasyManua.ls Logo

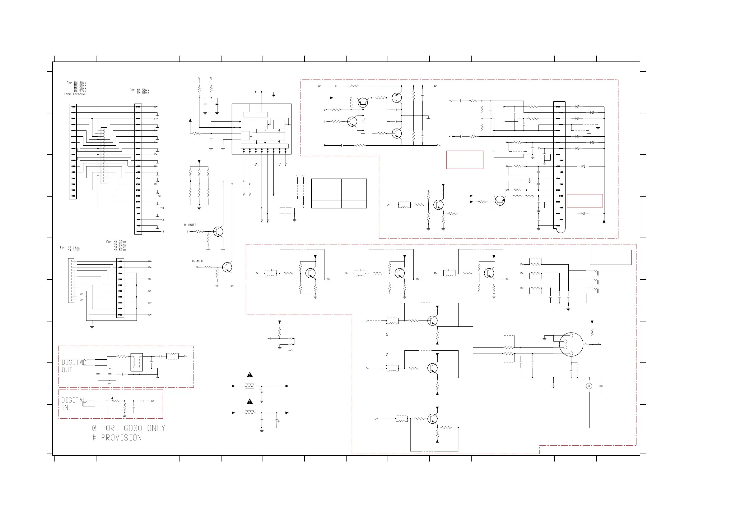
Philips MX5800SA - Digital In;Out, S-Video, Scart, & I 2 C Expander Circuit

Philips MX5800SA
129 pages
Print Icon
To Next Page IconTo Next Page
To Next Page IconTo Next Page
To Previous Page IconTo Previous Page
To Previous Page IconTo Previous Page
Loading...
DIGITAL I/O, S-VIDEO, SCART, & I
2
C EXPANDER CIRCUITS
88
88 8
CHIP SELECT
I
2
C BUS
TRANSCEIVER
I/O PORT
DATA LATCHES
PWR
RES
OUT I/O IN
SHIFT
REG
8
Scart version
68RNon-Scart version
*
4.8V
From DVD module
I
A
B
C
D
E
F
G
H
I
1181-3 G1
1181-4 H1
1183-A G13
1183-B H13
1184 F13
1186 A13
1187 G6
1401 A1
1403 B2
2.4V
1234567891011121314
12345
#
#
S-VIDEO
YUV/
0R
67891011121314
A
B
C
D
E
F
G
H
#
1404 A2
1405 E2
1406 E1
2400 A11
2401 B12
2402 B4
2403 D12
2404 D12
2405 A11
2406 B11
2407 H14
2408 H13
2409 G12
2410 G12
2411 F13
2412 F13
2413 F12
2414 A10
2415 B10
2417 A4
STATUS
#
L=S-Video inserted
2418 A4
2420 H5
2421 I6
2422 I5
2423 H1
2424 G3
2425 H2
2426 H3
2427 I2
2428 G3
2429 H2
2430 B8
2431 A7
2432 B7
2433 A9
2434 B9
2435 A9
2436 B9
2445 E6
C
#
2446 E8
2447 E10
2450 D6
2451 D6
2455 B12
2456 C12
2457 C12
2459 B12
2460 B11
3400 A12
3401 B12
3402 A11
3403 A11
3404 B11
3405 B11
3411 B4
3412 D11
3413 C12
3414 C12
3415 D10
3416 D9
3417 D10
3418 I10
Y
SCART 1
#
3419 I10
3420 I9
3421 C4
3422 C4
3424 G11
3425 G11
3426 F12
3427 E12
3428 E12
3430 B12
3431 E6
3432 F7
3433 C12
3434 E8
3435 F9
3436 C12
3437 E10
3438 F11
3441 A4
3442 A4
POWER AMP.
AMP_ON_LRCS
3444 G2
3445 I2
3446 H2
3447 F9
3448 G10
3449 H9
3450 H10
3451 C4
3452 C4
3454 C4
3455 C4
3456 D4
3457 D4
3458 E4
3459 E4
3460 A7
3461 B7
3462 A8
3463 A8
3464 B8
3465 A8
3466 B8
3467 A9
#
#
AMP_ON_S
3468 B9
3472 H5
3473 G6
3474 G13
3480 I5
3481 E6
3482 F6
3483 E8
3484 F8
3485 E11
3486 F11
3487 C9
3488 D9
4116 H13
4400 H2
4401 G3
4402 E6
4403 E9
4404 E11
4408 D9
4409 I9
4410 I9
4411 F9
3466
1K
#
4412 H9
4413 B13
4414 B13
4415 F8
4416 H8
MUTE
#
+2.5V
#
#
4418 F9
4419 G9
4421 C6
4422 C6
4424 G11
4425 G11
4426 F12
4427 F12
4428 E12
4430 B12
4433 C12
4436 C12
5401 G3
5402 G3
5403 E6
5404 E8
5405 D9
5406 I9
5407 F10
5408 G9
5409 H9
6402 A13
#
LOW
#
HI
6403 A13
6404 B13
6405 B13
6406 B13
6407 B13
6408 C13
6409 D13
7132 A8
7402 A5
7405 E7
7406 E9
7407 E11
7410 I10
7411 D10
7421 H10
7423 F10
7431 D11
7451 D5
7452 E5
7454 B7
7455 A8
7456 B9
H = Interlaced
#
CVBS
3428
L = PROG SCAN
#
#
PROG SCAN
#
#
*
For -/22 only
#
#
#
STANDBY
ON
TO DVD MODULE
#
3414
78
2409
5401
-5VVID
4436
GND_D
BC847B
7411
1K0
3450
1K0
-5VVID
GND_D
V
3436
V
+5VVID
YKC21-4483
GREEN_BOT
1181-4
8
7
3480
4R7
4422
+5V
3454
47K
20
21
22
3
4
5
6
7
8
9
V
V
BC817-25
7451
DVD_LR
V
GND_D
+5VVID
GND_D
2411
100p
2402
100n
GND_A
470R
3401
GND_DIG
+5V
DVD_SUR
4403
5405
2u2
33R
+5V_MUTE_1
SSSS2
1187
4413
330p
2429
5403
2u2
GND_DIG
100R
3416
+5VVID
7407
BC847B
47K
3459
4402
15K
3458
2432
1u
BC847B
7455
GND_DIG
4401
6403
BZX384-C15
DVD_CS
GND_D GND_D
4n7
2406
47K
3455
+5V
4430
2451
100n
5
7423
BC847B
1181-3
GREEN_TOP
YKC21-4483
6
BZX384-C15
6408
GND_D
2401
220p
7452
BC817-25
4412
2
3
4
5
6
7
8
9
FMN-BTRK
1
10
11
12
13
14
3473
10K
1406
DVD_CS
3438
1u
2431
1K0
1K
3465
220u
2421
68R
3428
7
8
9
47K
3468
15
16
17
18
2
3
4
5
6
1403
1
10
11
12
13
14
4415
18FMN-BTRK-A
4416
2450
GND_D
2413
100p
100n
3433
68R
BC847B
7410
2417
100p
GND_A
4u7
V
+5VVID
-5V
2445
7456
BC847B
V
2405
4n7
5K6
3486
3484
5K6
5K6
3482
4K7
3485
3483
4K7
3435
1K0
V
7406
BC847B
123
+5VVID
100n
2424
2455
V
2457 1n02456
1n0 24591n0
1n
2433
22n
22n
2403
A_LO
BC817-25
7454
2
3
4
5
6
7
8
9
BZX384-C15
6402
DVD_ON
FMN
1405
1
10
3412
15K
3430
68R
BC857B
7132
+5V
GND_A
3447
100R
68R
3427
3400
470R
-5V
GND_DIG
3420
100R
BZX384-C15
6404
4u7
+5VVID
2430
D6
12
D7
8
2 SCL
3 SDA
1
SO
13
100R
3437
M62320FP
7402
16
CS0
15
CS1
14
CS2
4
D0
5
D1
6
D2
7
D3
9
D4
10
D5
11
3446
150R
3
4
5
6
7
8
9
3413
47R
1
10
11
12
13
14
15
16
17
18
19
2
20
21
1186
3461
47K
4433
68R
3424
2436
1n
68R
3426
5406
V
MIC
2u2
DVD_LR
3444
33R
3422
47K
V
3421
15K
BC847B
7431
3419
4116
4424
3460
10K
A_LO
+5V
2400
220p
-5VVID
150R
3445
5407
2u2
4410
100R
3449
3467
47K
47p
2428
3431
100R
DVD_SUR
1u0
2414
GND_D
3451
15K
2446
4u7
3404
8K2
4414
2427
2u2
5408
BZX384-C15
6406
180p
100R
3434
3472
2412
100p
4R7
220p
10K
3474
4404
5409
2u2
4418
4419
3462
47K
V
68R
3418
EMC_GND
6405
BZX384-C15
2426
10n
3456
15K
3457
47K
1404
FMN
1
10
11
12
13
14
15
16
17
18
19
2
4426
2K2
3463
V
3464
2K2
V
4K7
3481
GND_D
4408
470R
3441
6409
BZX384-C15
9
15K
3452
10
11
12
13
14
15
16
2
3
4
5
6
7
8
4400
1401
FMN
1
V
5K6
3488
4K7
3487
4421
3405
22K
68R
3425
V
1n0
2425
1K0
3417
YKC21-4423
2
3
4
1
1184
3448
1K0
2407
220p
100p
2418
4428
4427
4425
4411
1n
2434
220p
2410
3442
470R
47n
2408
2423
560p
V
2420
220u
22K
3403
270R
3411
2u2
3415
68R
2415
1u0
-5VVID
220p
2404
2460
1n0
7405
BC847B
+5VVID
6407
BZX384-C22
3432
1K0
1n
2435
4409
8K2
3402
8
V
5404
2u2
7CHA
5402
1
2
34
6
7
100n
2422
2447
4u7
GND_D
1183-B
LAP5100-1301G
+5VVID
BC847B
7421
4
2
3
5
6
1183-A
LAP5100-1301G
1
MUTE_SCART_LO
DIG_IN
DIG_OUT
DVD_SR
DVD_C
DVD_SL
DVD_SUB
DVD_R
DVD_L
CVBS_DVD
B_OUT
G_OUT
R_OUT
R_OUT
B_OUT
G_OUT
INPUT_SEL_1
C_B_Pb
G_OUT R_OUT
MUTE_AV
SCART_LO_L
SCART_LO_R
B_OUT
MUTE_C
+3V3
AMP_ON_LRCS
MUTE_C
AMP_ON_C
C_B_Pb
Y_G_Y
C
Y
DPL_R
AMP_ON_S
MUTE_AV
MUTE_AV
AMP_ON_LRCS
CVBS_DVD
R_Pr
LINE_L
LINE_R
0_6_12
TV_IN_R
TV_IN_L
FREQ_HOP
DPL_L
MIC_IN
R_Pr
MUTE_AV
0_6_12
Y
Y_G_Y
CVBS_DVD
C
C_B_Pb
S_Video_DET
DIG_IN
DIG_OUT
SCART_LO_L
SCART_LO_R
Y_G_Y
I2C_DATA
I2C_CLK1
MUTE_HDPH
INPUT_SEL_0
MUTE_LO
Pscan_DET
For Scart version only
68R
AV circuit 3139 118 35006 sheet 4 dd wk334
16 : 9 DVD
Pin 8
9.5-12V :
TV BCAST
0 - 2V :
4.5 - 7V :
4: 3 DVD
4.9V
EXT RGB
Pin 16
1 - 3.0V :
CVBS0 - 0.4V :
4.9V
4.9V
2.4V
4.9V
2.4V
2.4V
2.4V
4.9V
2.4V
4.9V
4.9V
-6.2V
9-5 9-5

Other manuals for Philips MX5800SA

Related product manuals