EasyManua.ls Logo

Philips MX5800SA - Page 85

Philips MX5800SA
129 pages
Print Icon
To Next Page IconTo Next Page
To Next Page IconTo Next Page
To Previous Page IconTo Previous Page
To Previous Page IconTo Previous Page
Loading...
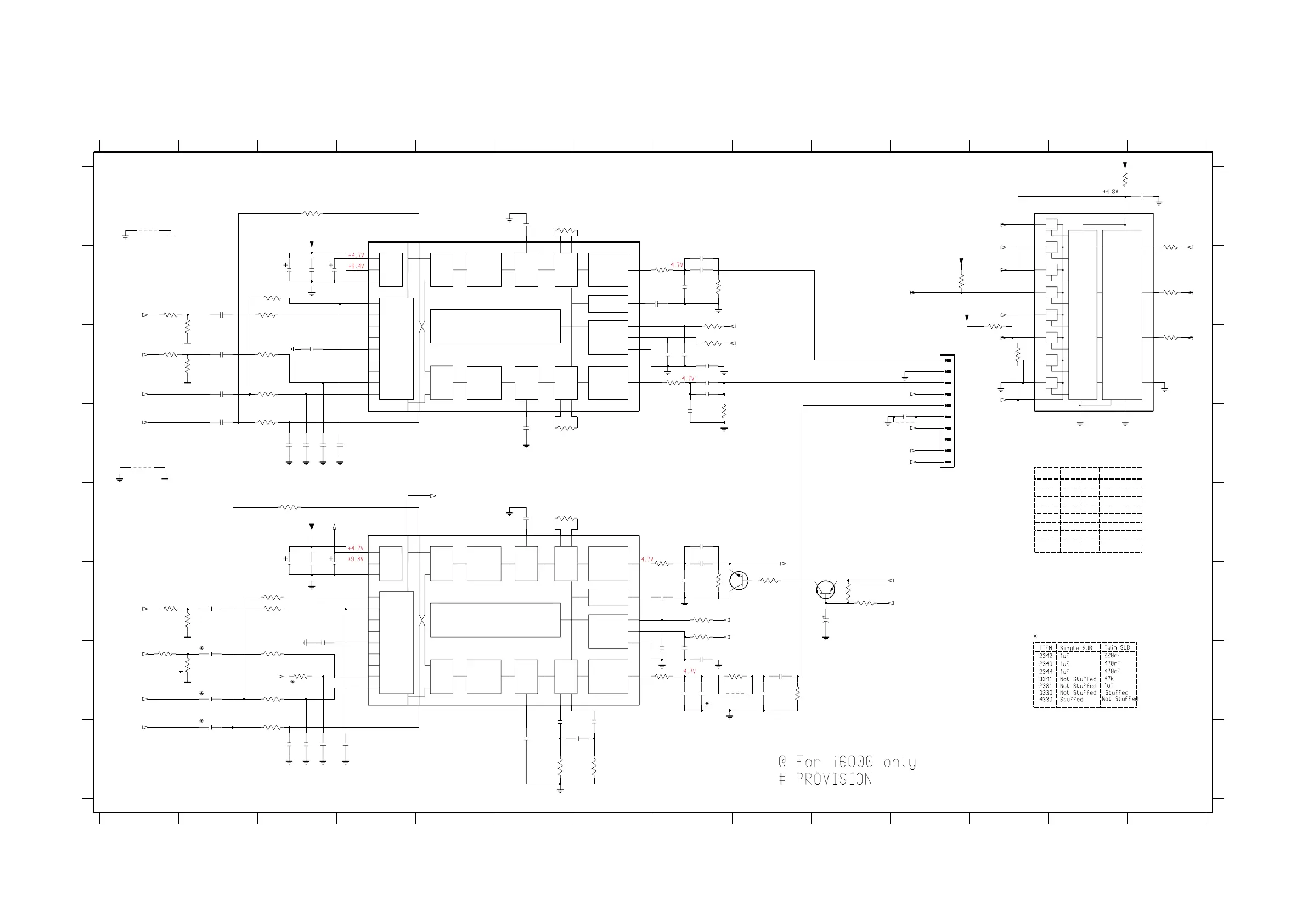
VOLUME CONTROL SURR., CENTER & SW AND CONTROL MULTIPLEXER CIRCUIT
TDA7468
7330
16
10
19
11
18
27
13
28
3
26
4
25
5
24
6
23
8
21
2
7
22
12
17
14
15
9
20
1
VOLUME I
RIGHT
SUR.
SOURCE
SUPPLY
POWER
SELECTOR
TREBLE
LEFT
VOLUME II
LOGIC
LEFT
REC
IIC BUS
BASS ALC
BASS
LEFT
VOLUME I
LEFT
SUR.
TREBLE
RIGHT
VOLUME II
RIGHT
BASS
RIGHT
7304
TDA7468
16
10
19
11
18
27
13
28
3
26
4
25
5
24
6
23
8
21
2
7
22
12
17
14
15
9
20
1
VOLUME I
RIGHT
SUR.
SOURCE
SUPPLY
POWER
SELECTOR
TREBLE
LEFT
VOLUME II
LOGIC
LEFT
REC
IIC BUS
BASS ALC
BASS
LEFT
VOLUME I
LEFT
SUR.
TREBLE
RIGHT
VOLUME II
RIGHT
BASS
RIGHT
74HC4051D
7352
6
E_
8
11
10
9
16
7
VEE
13 Y0
14 Y1
15 Y2
12 Y3
1 Y4
5 Y5
2 Y6
4 Y7
3 Z
VDD
VSS
A2
CONVERSION
LEVEL
LOGIC
DECODER
1-of-8
A0
A1
1K
2310
4n7
2305
2341
1u
1K
GND_S
7 8 9 10 11 12 13 14
A
B
C
D
E
F
G
H
A
B
C
D
E
F
G
H
1234 D11
2128 C8
2301 B8
MIC_DET
A1
HIGH
VOL_C
VOL_Sub
HIGH
7352 : TRUTH_TABLE
A2
VOL_Rs
LOW
1 2 3 4 5 6 7 8 9 10 11 12 13 14
123456
LOW
Pscan_DET
2302 B8
2303 C8
2304 B8
2305 B8
2308 D8
2309 A6
2310 D6
2311 B3
2312 B3
2313 B3
2314 C3
2317 E8
2318 E8
2319 B2
2320 C2
2321 C2
2322 D2
2324 F10
2325 F8
2326 F8
2327 G8
2328 G8
2329 G9
2330 G9
2331 E6
2332 H7
2333 H6
2334 H6
VOL_Ls
MUX_DET
HIGH
LOWHIGH
2335 H6
2336 F3
2337 F3
2338 F3
2339 F3
2340 C8
2341 F2
2342 G2
2343 G2
2344 H2
2349 A14
2351 C8
2352 C8
2353 G8
2380 G8
2381 G8
2382 D11
2390 D3
2391 D3
2392 D3
HIGH
LOW
LOW
LOW
HIGH
LOW
2393 D3
2394 H3
2395 H3
2396 H3
2397 H4
3135 H7
3302 G9
3303 G8
3304 B8
3305 B8
3306 B8
3307 C8
3308 D8
3310 A6
3311 D6
3312 A3
3313 B3
3314 B3
3315 C3
3316 C3
3317 D3
3318 B1
3319 C2
HIGH
3320 C1
3321 C2
3322 E8
3324 F10
3325 F10
3326 F9
3327 F8
3328 F8
3329 F8
3330 G9
3333 E6
3334 G3
3335 H3
3336 C8
3337 E3
3338 F3
3339 F3
3340 F1
3341 G3
3342 G3
3343 G1
3344 G2
3347 F2
3349 H6
3355 B12
3356 A13
LOW
GND
HP_DET
TO AMP PCB
3357 C12
3359 B11
3368 A14
3369 B14
3370 C14
4330 G9
4341 A1
4342 D1
4382 D11
7301 F9
7302 F10
7304 E4
7330 A4
7352 A13
AMP_RS
AMP_SUB
HIGH
GND
AMP_LS
HIGH
LOW DI_LOCK
HIGH
HIGH HIGH
LOW
NTC
S_Video_DET
LOW
#
#
LOW
GND_SGND_S
A0
GND_D
GND_S
2321
470n
1u
2344
100p
2335
GND_S
4n7
2331
1K
3337
68R
3336
100K
3357
2308
100p
DVD_SUR
GND_SGND_S
3319
10K
GND_S
2391
100p
1K
3307
2393
100p
100p
2392
2128
GND_C
1K
3328
100p
2322
3335
1K
470n
GND_D
1K
3329
2338
47u
470n
2382
22n
23122337
22n
GND_S
2334 330n
100R
3369
47u
2311
GND_CGND_CGND_C
330n
2394
4382
100p
2340
2301
2351
470n
470n
2317
470n
100p
2325
2309
4n7
3135
5K6
3349
8K2
100p
2328
1u
2343
3320
6K8
GND_C
GND_D
GND_S
1K
3334
2380
470n
GND_D
3315
1K
1K
3325
47K
3341
100p
2396
2395
330n
3324
1K
3368
100R
GND_C
7302
BC857B
2330
1u
3342
3317
1K
2336
47u
2K2
1K
3333
3308
2319
470n
47u
GND_C
GND_D
2313
3302
2302
470n
4u7 50V
22K
2324
2397
100p
3343
6K8
GND_D
6
7
8
9
GND_S
GND_D
1234
FE-BT-VK-N
1
10
2
3
4
5
470n
2352
GND_D
1K
3313
10K
3321
GND_C
DVD_CS
GND_C
100p
2390
7301
BC847B
47K
3359
3314
1K
3306
4342
220n
2333
GND_S
GND_C
GND_C
GND_C
DVD_SUR
DVD_CS
1n
2314
1K
3326
DVD_CS
2342
1u
68R
3322
1K
2329
470n
2349
100n
3312
2332
470n
2318
470n
GND_S
100p
3344
10K
3318
6K8
100p
100n
2353
68R
3305
2327
1K
3338
1u
2381
22K
3340
2304
GND_C
2K2
3327
470n
2326
470n
3370
100R
3316
3303
1K2
3355
680R
1K
4330
+9V4
1K2
3330
100R
3356
2320
470n
DVD_SUR
3310
1K
1K
3311
3339
2303
100n
4341
1K
2K2
3304
2339
1n
10K
3347
+5V
LINE_C
+4V7_Ref
+4V7_Ref
AMP_C
MIC_DET
DI_LOCK
NTC
AMP_ON_C
FREQ_HOP
AMP_ON_S
A1
A0
A2
+5V
MUX_DET
+5V
NTC
+5V_MUTE_1
MUTE_C
+9V4
I2C_DATA
I2C_CLK2
I2C_DATA
I2C_CLK3
LINE_L
LINE_R
LINE_L
LINE_R
DVD_SL
DVD_SR
DVD_C
DVD_SUB
Pscan_DET
S_Video_DET
HP_DET
AV circuit 3139 118 35006 sheet 3 dd wk334
9-4
9-4

Other manuals for Philips MX5800SA

Related product manuals