EasyManua.ls Logo

Philips MX5800SA - Page 84

Philips MX5800SA
129 pages
Print Icon
To Next Page IconTo Next Page
To Next Page IconTo Next Page
To Previous Page IconTo Previous Page
To Previous Page IconTo Previous Page
Loading...
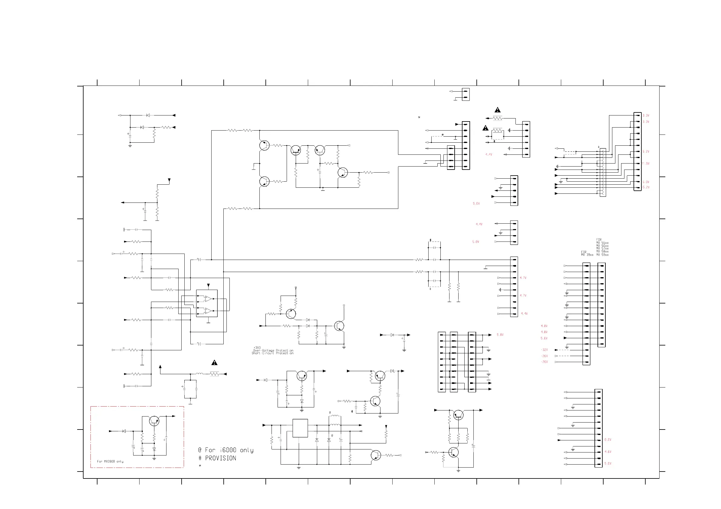
PRE-AMPLIFIER, SUPPLY & INTERCONNECTION CIRCUIT
FB
GND
OUTVIN
ON_|OFF
4.6V
2216 G21235 A11
1236 B10
1238 G12
1239 D12
1240 D12
1241 B12
1242 A13
1243 B9
1245 A9
2201 B1
2202 B6
2207 D3
2208 F3
2209 E2
2210 F2
2211 D2
2212 F2
2213 D1
2214 D2
2215 D1
13
TO SUPPLY PCB
12345678910111213
123456789101112
(Headphone not inserted)
BD242B
TO HP PCB
A
B
C
D
E
F
G
H
I
A
B
C
D
E
F
G
H
I
1200 F9
1201 F9
1230 B9
1231 D10
1232 C10
1233 F9
NJM4556AM
2217 G1
2218 G1
2219 H2
2220 H3
2224 H6
2225 H5
2226 H5
2227 F8
2228 I2
2229 I1
2230 I2
2231 I9
2232 H8
2233 C2
2240 I5
2241 I6
2242 F6
2254 H7
2280 D8
2281 E8
2282 D8
2283 E8
3200 A2
3201 A2
3202 I6
3203 B7
3204 C7
3205 B6
3206 B6
3207 B5
3208 B5
3209 B5
3210 C5
3211 A4
3212 C4
3213 A4
3214 C4
3215 I7
3224 E8
3225 D8
3230 F2
3231 E2
3232 G1
3233 E1
3234 G1
3235 D1
3236 F1
3237 D1
TO FRONT PCB
TO TRAFO
0.2V
0.2V
5V
3238 G3
3239 I7
3240 I5
3243 I2
3244 I2
3245 H9
3250 I9
3252 G7
3254 H7
3256 C2
3257 C2
3259 H5
3260 I9
3261 H6
3262 I9
3263 I9
3265 H5
3268 I9
Hi = ON
LOW = MUTE
3269 H7
3270 E9
3271 E9
3272 F5
3273 F6
3274 F5
3275 E5
3276 F5
3277 F5
3290 A10
3291 A10
4200 G12
4201 G12
4205 B12
4206 B12
4209 B9
4280 D8
4281 E8
5201 H6
5202 H6
5232 G3
6200 A2
6201 A2
6202 I6
6203 I6
6204 H1
6205 G7
6223 G5
6224 H5
6225 F7
6226 I2
6227 F5
6228 F5
7200 B4
7204 G5
7205 H2
7206 H9
7207 I9
7208 G7
7209 H7
7210 H5
7211 I7
7230 E3
AMP_L
TO FRONT PCB
7231 B5
7232 B6
7233 B7
7250 C4
7252 F5
7253 F6
9291 B10
4209
AMP_R
TO SUPPLY PCB
Hi = ON
For Karaoke
For non-Kara only
Hi = ON
TO AMP PCB
TO ECOSTDBY PCB
TO DVD Module
GND_D
47R
3213
3209
1K
2224
22u
+12A
GND_D
2282
MIC_Gnd
4200
470n
7250
BC817-25
BD438
7206
+12M
33R
3212
2231
470u
2210
2K2
3243
2230
A_HP
A_HP
47K
3240
+5V
GND_D
GND_A
GND_D
GND_M
180p
GND_D
27K
3231
6200
BAS316
13
14
2
3
4
5
6
7
8
9
GND_D
220R
3235
6K8
3236
+5V6
+12A
GND_M
1K0
3252
5K6
GND_D
7231
10K
+HP
+5V6
GND_D
7253
BC847B
GND_D
GND_D
100p
2213
4206
100u
2240
3202
10K
9291
6225
1N4003GP
GND_D
4209
+12V_DVD
+HP
5
6
7
8
9
A_HP
2216
1n
470n
A_HP
470n
2254
A_HP
33R
3211
3239
10K
6224
BZX79-C5V6
3232
12K
+5V
BZX79-C33
6226
1
10
11
12
13
2
3
4
5
6
7
8
9
+12A
+12V_DVD
FMN
1242
3268
1K0
4K7
3256
13
14
15
16
17
2
3
4
5
6
7
8
9
1239
FE-BT-VK-N
1
10
11
12
220R
3215
5
6
7
8
9
180p
2209
10
11
12
13
14
15
2
3
4
1241
FMN-BTRK
1
16V
1K
3210
5201
100u
1
2
3
4
5
6
1N4003GP
6204
1235
EH-B
2280
470n
BC847BW
7207
3265
470R
3230
27K
7204
6201
BAS316
470p
2211
3254
47K
3
4
6202
BYV27-200
1232
FE-BT-VK-N
1
2
3263
3200
-5V
3259
8K2
100K
BAS316
6228
2217
22u
SS24
6205
3257
4K7
+12M
3233
6K8
2233
470R
3270
2212
470p
100u
2219
47u
3234
220R
3214
47R
2283
+C
470n
2229
100u50V
2R2
3290
5K6
3244
FE-BT-VK-N
1231
1
10
2
3
4
MIC_Gnd
GND_D
8
9
1245
EH-B
1
2
EH-B
1200
1
10
2
3
4
5
6
7
50V
1m0
2241
+12A
100K
3201
2208
100u
47u
2242
+5V_DVD
BC327-25
7205
1
10
2
3
4
5
6
7
8
9
2215
EH-B
1201
10R
3238
22u
+C
-5V
1
4K7
3207
33u
5202
4
3
5
2
1K0
3225
7210
LM2576T-3.3
10K
3204
6K8
3272
GND_A
3208
4K7
220R
3269
7200
BC817-25
12K
3237
6203
BYV28-200/20
2281
+5V6
2201
1m0
GND_D
GND_D
10K
3203
GND_D
7208
BD438
3206
5K6
FE-BT-VK-N
1240
1
10
11
12
1K0
3262
A_HP
A_HP
GND_D
A_HP
5232
2u2
22u
2227
+5V_DVD
50V 100u
2228
2218
100p
68R
3275
GND_D
1n
2214
7233
BC847B
2225
22u50
4201
2220
22n
GND_A
GND_D
BC857B
7252
10V220u
2232
4281
22u
+12M
4280
7209
BC847BW
3291
2R2
BC847B
7232
3 INA+
2 INA-
5 INB+
INB-6
1O-A
7O-B
8
VS+
4
VS-
3276
1K0
7230
3
4
5
6
7
8
9
GND_D
5
1238
FE-BT-VK-N
1
10
11
12
13
2
FE-BT-VK-N
1236
1
2
3
4
8
6K8
3274
1243
FE-BT-VK-N
1
2
3
4
5
6
7
FE-BT-VK-N
1
2
3
4
+12V_DVD
10
2
3
4
5
6
7
8
9
1230
1233
EH-B
1
1K0
GND_D
GND_C
+5V6
3224
50V 100u
2226
5K6
3245
BAS316
6227
3261
10K
10K
3260
+HP
3273
GND_D
4205
6223
1N4003GP
3271
470R
A_HP
3205
1K
7211
BC847BW
A_HP
10u
2202
+5V6
47K
3277
GND_M
A_HP
2207
100u
47K
3250
+3V3
A0
I2C_DATA
DVD_ON
DVD_5V
A1
A2
I2C_CLK3
I2C_CLK2
I2C_CLK1
+3V3
MIC_OUT
MIC_OUT
BC857B
~F1
MUTE_SCART_LO
3V3_sense
MIC_DET
TU_CLK
MUX_DET
MUX_VU
40VAC
TU_ENABLE
LPC
PWD_DN
TU_DATA
TU_STEREO
+5V6_ECO
40VAC
+3V3
NTC
+3V3
DVD_5V
3V3_sense
~F1
PWD_DN
+5V_MUTE_1
DVD_5V
DVD_ON
-Vkk
NTC
AMP_ON_LRCS
AMP_C
AMP_ON_C
FREQ_HOP
MUTE_HDPH
+5V_MUTE_1
HP_DET
HPREF
HPREF
HPREF
HPREF
HPREF
1B_L
1B_R
LPC
NTC
PWD_DN
40VAC
~F2
~F2
-Vkk
+5V6_ECO
DVD_5V
40VAC
NTC
AV circuit 3139 118 35006 sheet 2 dd wk334
-6.2V
5.9V
0.2V
-32.4V
-33V
5.9V
11.6V
3.3V
5.9V
-6.8V
4.8V
5.9V
5.2V
11.8V12V
11.3V
0.2V
5.6V
5.4V
5.4V
5.9V
5.4V
0.2V
4.8V
5.9V
0.2V
5.9V
4.6V
9-3
9-3

Other manuals for Philips MX5800SA

Related product manuals