EasyManua.ls Logo

Philips pm2521 - Page 101

Philips pm2521
187 pages
Print Icon
To Next Page IconTo Next Page
To Next Page IconTo Next Page
To Previous Page IconTo Previous Page
To Previous Page IconTo Previous Page
Loading...
110
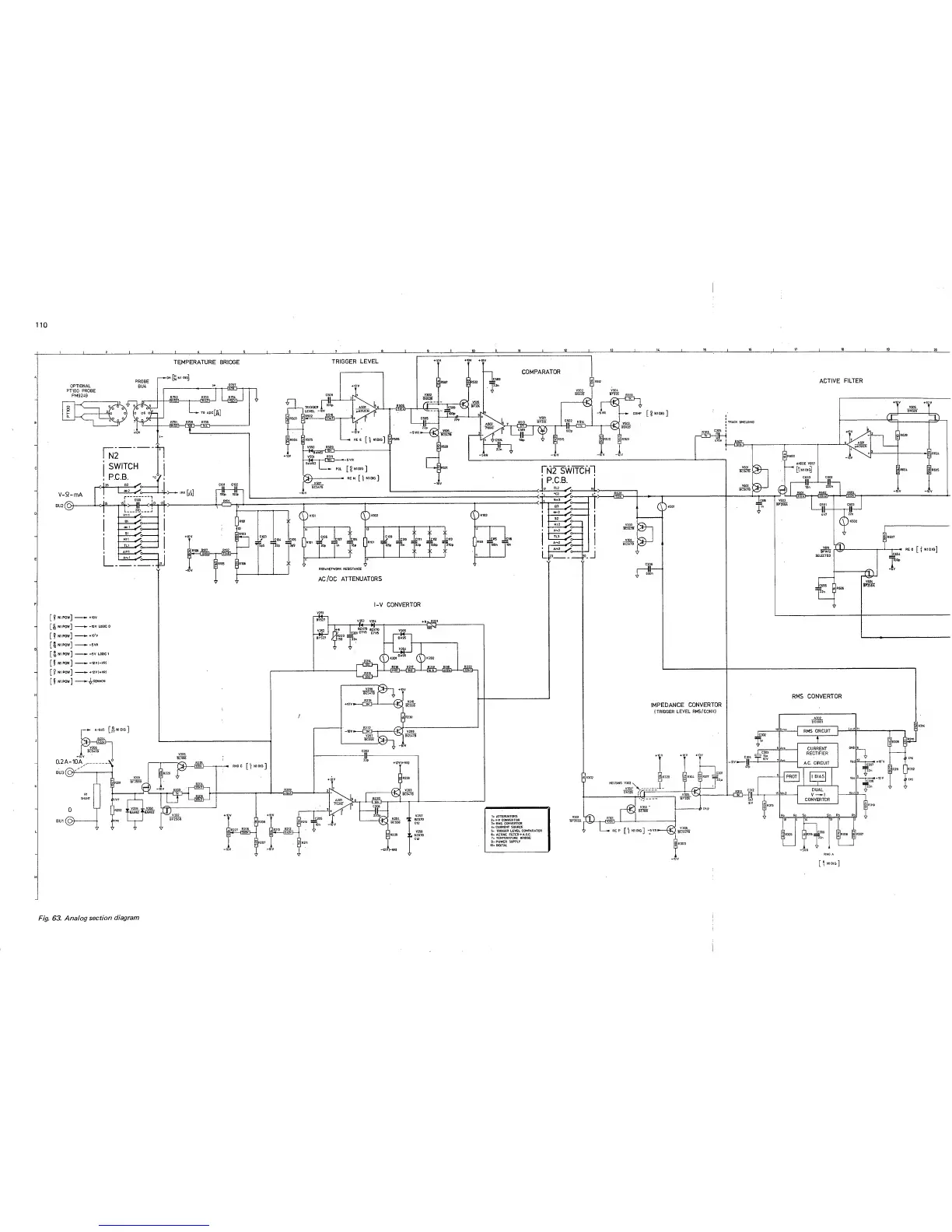
Fig.
63. Analog
section
diagram

Other manuals for Philips pm2521

Related product manuals