EasyManua.ls Logo

Philips pm2521 - Page 177

Philips pm2521
187 pages
Print Icon
To Next Page IconTo Next Page
To Next Page IconTo Next Page
To Previous Page IconTo Previous Page
To Previous Page IconTo Previous Page
Loading...
5
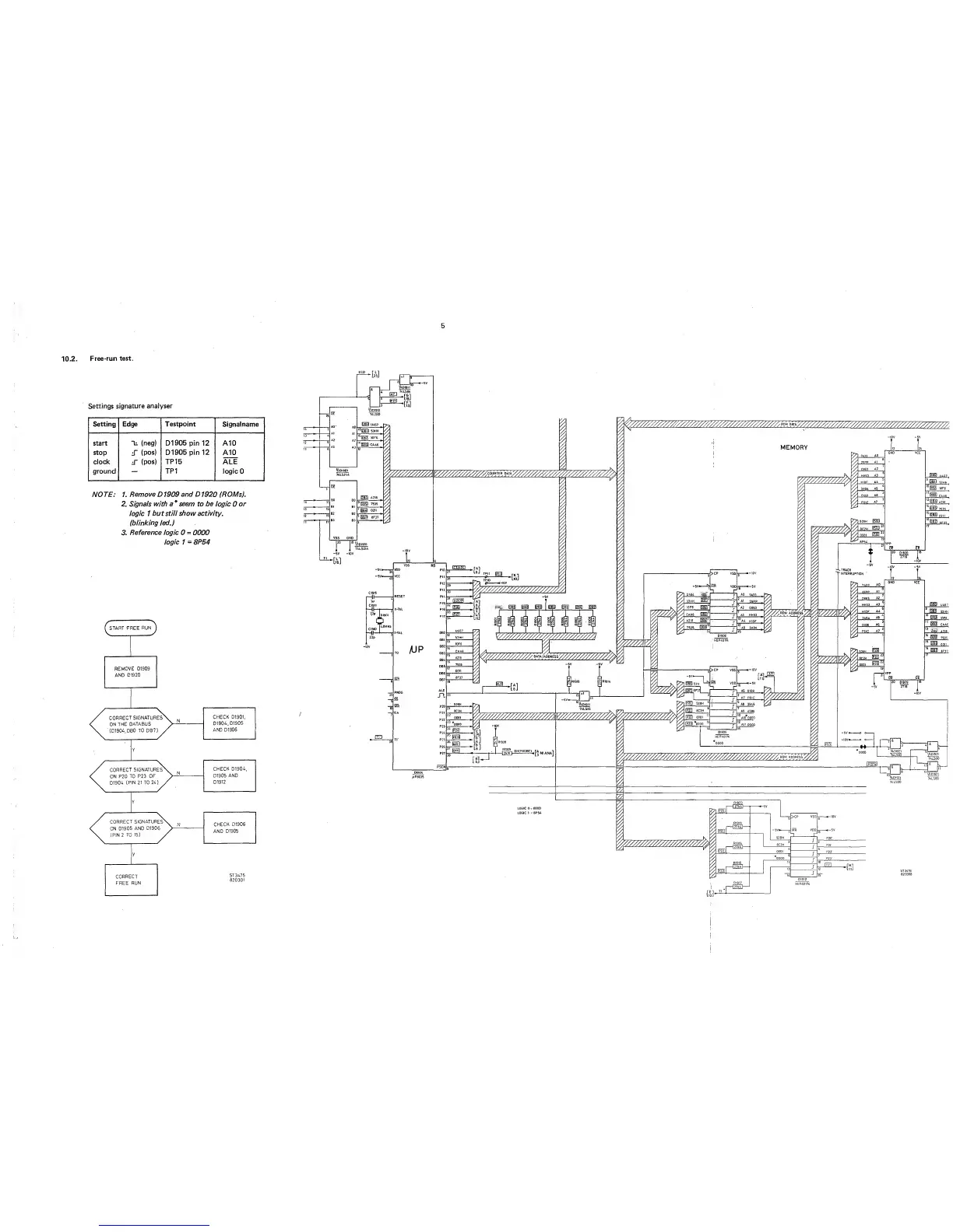
10.2.
Free-run
test.
Settings
signature
analyser
Setting Edge Testpoint
Signalname
TT
start
"U. (neg)
D1905 pin 12 A10
IT
IT
stop
d"
(pos)
D1905
pin 12
A10
!1
clock (pos)
TP15
ALE
ground
TP1 logic
0
5V
L
NO
TE:
1.
Remove
D 1909
and D
1920
(ROMs).
2.
Signals with a
*
seem
to
be
logic
0
or
logic
1
but
still
show
activity,
(blinking
led.)
3.
Reference logic
0
=
0000
logic
1
=
8P54
7AV1 AO
GND vcc
AJ
®
7
A2
6
A3
H10F
5
A4
^
I5.H]
53HH
1
3A9A
4
AS
”lP2l 10F6
mnfl
3
A6
"im
CAAt
2
A7
A218
1
1
0751
52BH
[P20)
EID^’
17
0001
Iral”
IS
8P54
VPP
- OE CE
1
7A33
AO
GND
VCC
*,
=
A2
I
HH53
A3®
H10F
AA®
A6
^
1
0108
*6®
FB1C
*7®
1
1
[P20l
8r?H
I31l“
1
0001
E2E“
19
n
VPP
OE
CE

Other manuals for Philips pm2521

Related product manuals