EasyManua.ls Logo

Philips pm2521 - Page 29

Philips pm2521
187 pages
Print Icon
To Next Page IconTo Next Page
To Next Page IconTo Next Page
To Previous Page IconTo Previous Page
To Previous Page IconTo Previous Page
Loading...
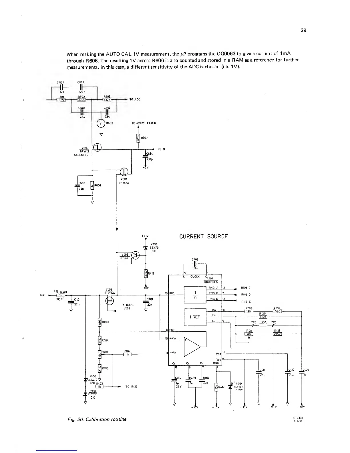
When making
the AUTO CAL IV
measurement,
the
juP
programs
the
OQ0063
to give a
current
of 1mA
through R606.
The
resulting IV across R606 is
also counted
and
stored in a
RAM
as
a
reference
for
further
rneasurements. In
this case, a
different sensitivity
of the ADC is
chosen
(i.e. IV).
29
5
IRX
C653
C602

Other manuals for Philips pm2521

Related product manuals