EasyManua.ls Logo

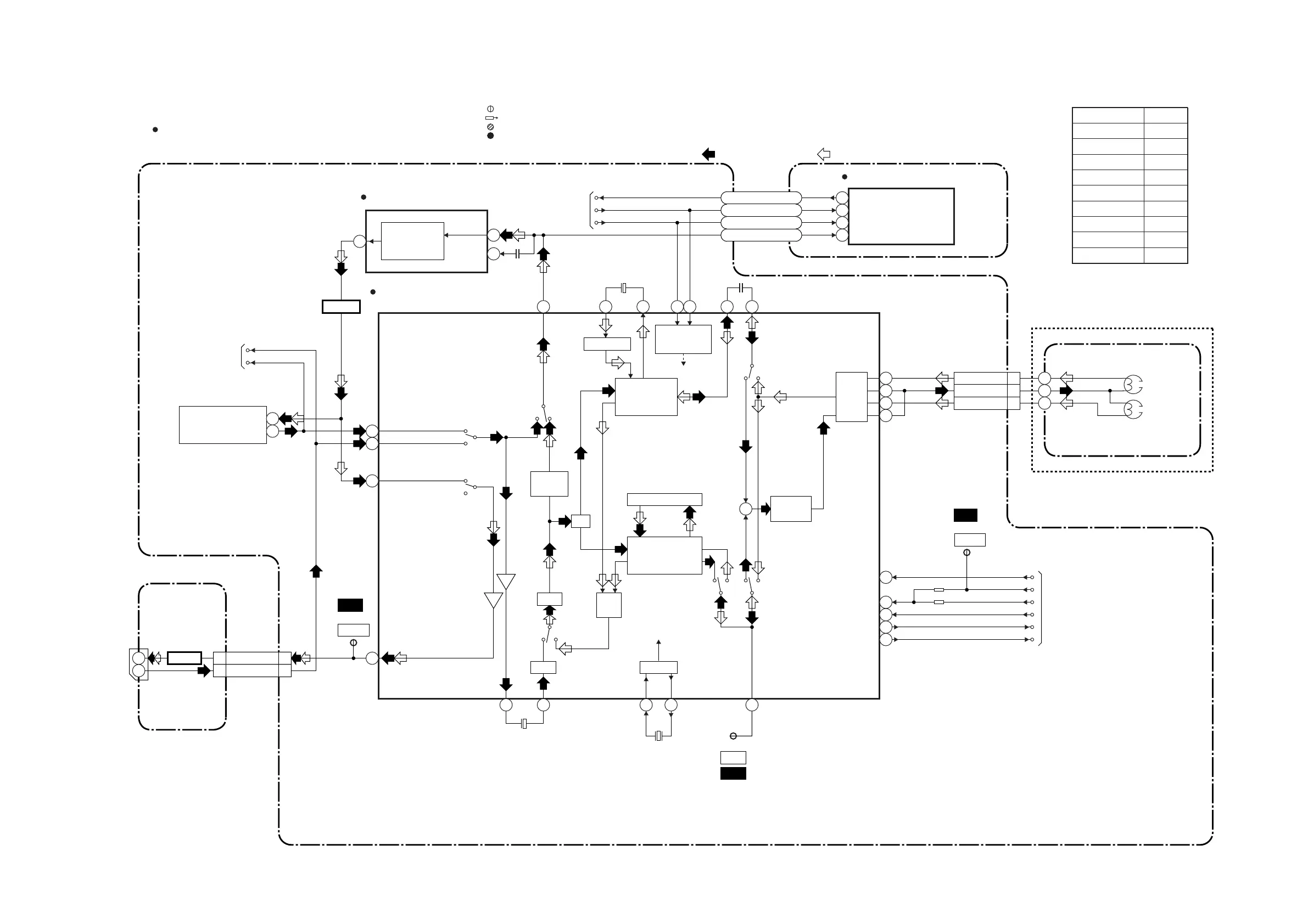
Philips VR330/58 - Video Block Diagram ( Y )

Philips VR330/58
63 pages
Print Icon
To Next Page IconTo Next Page
To Next Page IconTo Next Page
To Previous Page IconTo Previous Page
To Previous Page IconTo Previous Page
Loading...
CYLINDER ASSEMBLY
V(L)
V-COM
V(R)
CL253
1
2
3
Video Block Diagram ( Y )
1-10-15 1-10-16 HC268BLV
(DECK ASSEMBLY)
VIDEO (L)
HEAD
HEAD
AMP
REC FM
AGC
TO SERVO/SYSTEM
CONTROL BLOCK
TO SERVO/SYSTEM
CONTROL BLOCK
C-SYNC
RF-SW
D-REC-H
C-ROTA
D-V-SYNC
V-ENV
LUMINANCE
SIGNAL
PROCESS
CHROMINANCE
SIGNAL
PROCESS
C-SYNC
V-ENV
D-V-SYNC
RF-SW/C-ROTA
VIDEO (R)
HEAD
TU701
IC301
(Y/C SIGNAL PROCESS)
IC501 (OSD)
REC-VIDEO SIGNAL PB-VIDEO SIGNAL MODE: SP/REC
SERIAL
DECORDER
V-OUT1
1
V-IN1
1
3 3
JACK CBA
48
50
56
24
6
50
55
52
19
20
JK101
V-OUT1
V-IN1
CL151
CL101
61
96
95
93
94
CHARA.
INS.
CCD 1H DELAY
BYPASS
IN1
TUNER
MUTE
PB/EE
AGC
PR
R
Y
C
P
R P R P
Y. DELAY
Y/C
MIX
+
7978
AGC VXO
OSD
CHARACTER
MIX
COLOR
-IN
FBC
1/2
58 59
65
2928
IC640 (VPS)
VPS-V
I2C BUS SDA
DAVN-L
I2C BUS SCL
I2C BUS SDA
I2C BUS SCL
6
14
7
16
DAVN-L
69684643
" " = SMD
NOTE FOR WIRE CONNECTORS:
1. PREFIX SYMBOL "CN" MEANS CONNECTOR.
(CAN DISCONNECT AND RECONNECT.)
2. PREFIX SYMBOL "CL" MEANS WIRE-SOLDER
HOLES OF THE PCB.
(WIRE IS SOLDERED DIRECTLY.)
TEST POINT INFORMATION
:INDICATES A TEST POINT WITH A JUMPER WIRE ACROSS A HOLE IN THE PCB.
:USED TO INDICATE A TEST POINT WITH A COMPONENT LEAD ON FOIL SIDE.
:USED TO INDICATE A TEST POINT WITH NO TEST PIN.
:USED TO INDICATE A TEST POINT WITH A TEST PIN.
67
84
62
70
D-REC-H
80
BUFFER
Q101
TP751
V-OUT
WF1
TP301
X301
4.43MHz
C-PB
WF5
TU-VIDEO
TU-VIDEO
V-IN1TO
SERVO/SYSTEM
CONTROL BLOCK
VIDEO
BUFFER
Q351
MAIN CBA
VPS CBA
TP502
RF-SW
WF2
OSD-V-IN
I2C BUS-SCL
I2C BUS-SDA
DAVN-L
Comparison Chart of
Models & Marks
Model Mark
VR530/58
VR630/58
VR330/58
W
X
VR730/58
Y
Z
VRQ45/16
VRQ45/39
AB
VR732/58
VR830/58
AA
VRQ45/58
AC
AD
AE
21