EasyManua.ls Logo

Phoenix Contact PSM-EG-RS232/RS422-P/4K - Funktionsschaltbild

Phoenix Contact PSM-EG-RS232/RS422-P/4K
18 pages
Print Icon
To Next Page IconTo Next Page
To Next Page IconTo Next Page
To Previous Page IconTo Previous Page
To Previous Page IconTo Previous Page
Loading...
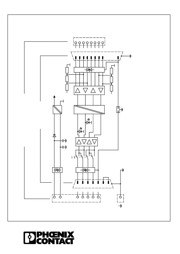
7. Funktionsschaltbild
4
TxD
24V
0V
8
gn
5
2
1
RxD
3
8
7
2
VCC
RS 232
7
6
DTE
DCE
4
6
5
RTS
CTS
GND
DSR
DTR
RS 422
2
9
4
11
3
10
5
12
8
1
I (B)
2
I (A)
3
C (B)
4
C (A)
5
R (B)
6
R (A)
7
T (B)
8
T (A)
ye
+
150 510510
+
150
+
510510
Phoenix Contact, Postfach 13 41,
D-32819 Blomberg
Fax 05235/3-30999, Tel. 05235/3-00
RS-232VCC
RS-422
SUB-D
Schraubklemme
GND
8
Seite: 10

Related product manuals