EasyManua.ls Logo

PIAGGIO Carnaby 200 - Recharge System Voltage Check; Choke Inspection

PIAGGIO Carnaby 200
310 pages
Print Icon
To Next Page IconTo Next Page
To Next Page IconTo Next Page
To Previous Page IconTo Previous Page
To Previous Page IconTo Previous Page
Loading...
Recharge system voltage check
The recharge system is provided with a three
phase alternator with permanent flywheel.
The alternator is directly connected to the voltage
regulator.
In turn, the latter is directly connected to earth and
to the battery positive terminal passing through the
15A protection fuse (No. 1).
This system therefore requires no connection to
the key switch.
The three- phase generator provides good re-
charge power and at low revs a good compromise
is achieved between generated power and idle
stability. For this reason, it is very important that
the idle speed is adjusted as prescribed.
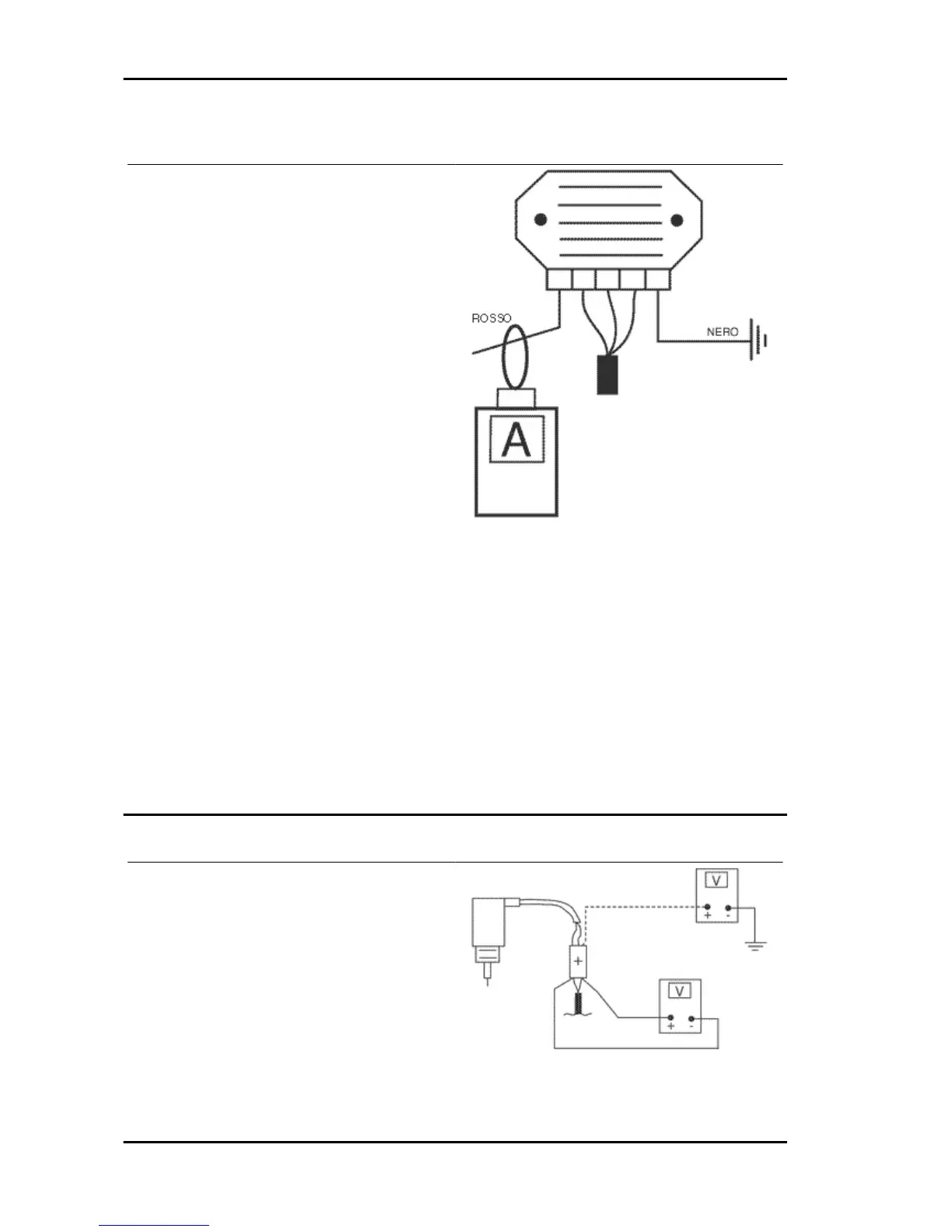
Connect an ammeter induction clamp to the volt-
age regulator positive terminal, measure the bat-
tery voltage and turning on the vehicles lights with
engine off, wait for the voltage to set at about 12
V. Start the engine and measure the current gen-
erated by the system with lights on and a high
running engine.
In case the generated current value is lower than
10A, repeat the test using a new regulator and/
stator alternatively.
Choke Inspection
Refer to the engine section to check the resistance
and operating conditions of the component. As re-
gards voltage supply, keep the connector connec-
ted to the system and check that the two terminals
receive battery voltage with the engine on (see
figure).
Electrical system Carnaby 125 - 200
ELE SYS - 86

Table of Contents

Related product manuals