EasyManua.ls Logo

Pioneer KRP-500P - 4.6 50 F X DRIVE ASSY

Pioneer KRP-500P
161 pages
To Next Page IconTo Next Page
To Next Page IconTo Next Page
To Previous Page IconTo Previous Page
To Previous Page IconTo Previous Page
Loading...
29
KRP-500P
5
6 7 8
5
6 7 8
A
B
C
D
E
F
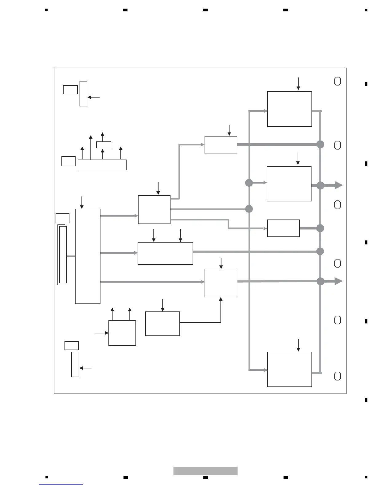
4.6 50F X DRIVE ASSY
Drive Signal
X 1
PSUS
+17V
OFFSET
BLOCK
VPOFS
VXKOFS1
VXKOFS2
VSUS
SUS
BLOCK
Gate Signal
Gate Signal
Gate Signal
Drive Signal
RESONANCE
BLOCK
PSUS
+5V
OFFSET
Reg.
Drive Signal
SUS
PreDrive
VPU
+17V
VSUS
SUS
BLOCK
VSUS
SUS
BLOCK
SOFT- D
XPRST
VSUS
+17V
PSUS
LOGIC
BLOCK
+17V
15V
DC/DC
CONV.
VPU
VPOFS
+17V
+5V
VSUS
+6.5V
X 2
REG
X 3
VADR
VADR
VADR
X 4
50F X DRIVE ASSY

Table of Contents

Related product manuals