EasyManua.ls Logo

Pioneer PDP-435PG - 43 Y DRIVE ASSY BLOCK DIAGRAM

Pioneer PDP-435PG
104 pages
Print Icon
To Next Page IconTo Next Page
To Next Page IconTo Next Page
To Previous Page IconTo Previous Page
To Previous Page IconTo Previous Page
Loading...
PDP-435PE
24
1234
1234
C
D
F
A
B
E
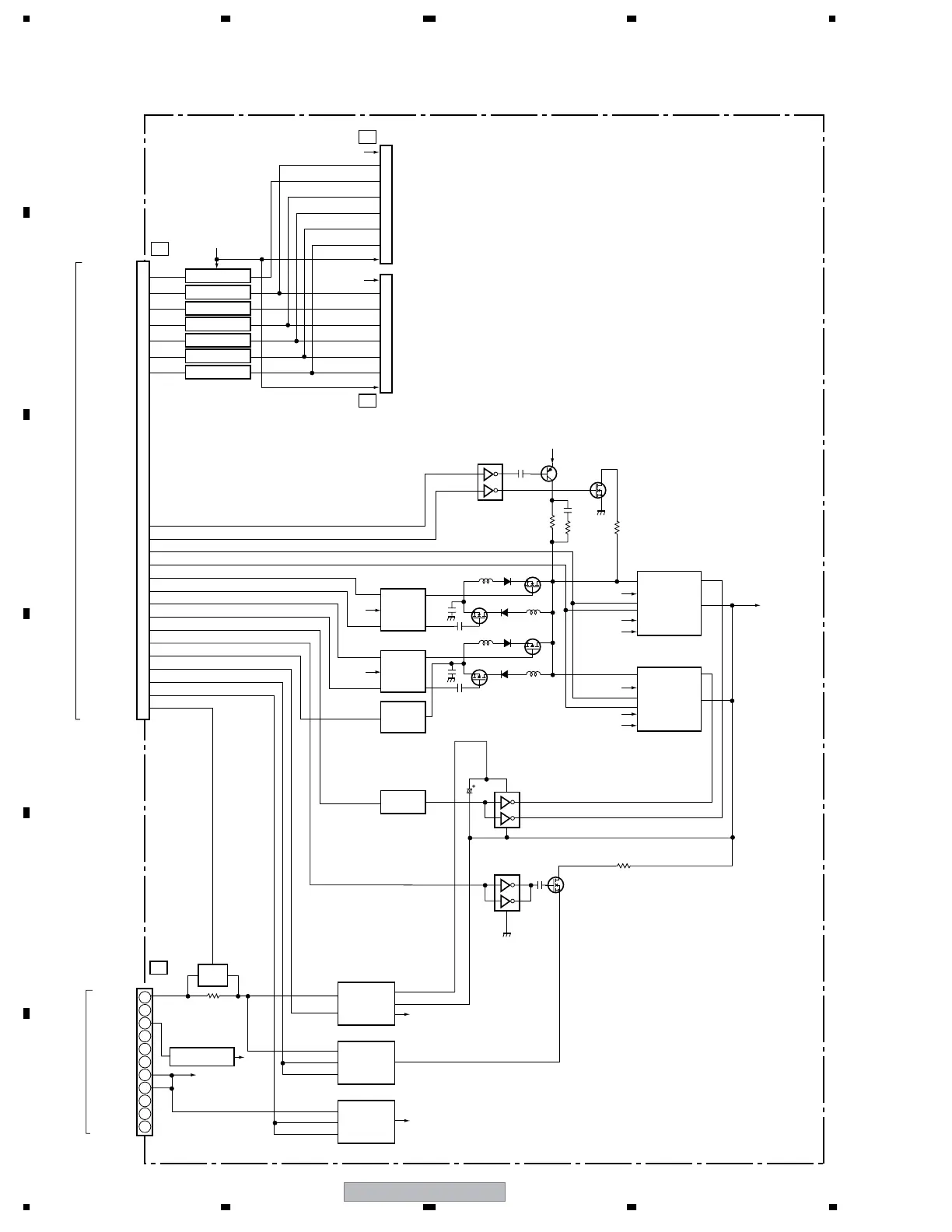
3.1.2 43 Y DRIVE ASSY
43 Y DRIVE ASSY
Photo CouplerCLK1
CE
CLK2
CLR
OC2
OC1
SI
YPR-U
Photo Coupler
Photo Coupler
Photo Coupler
Photo Coupler
Photo Coupler
Photo Coupler
HB
DRIVER
Mask Module
(STK795-511)
IC2303
Mask Module
(STK795-511)
IC2307
REGULATOR
P.D.
DET.
YSOFT-D
YPR-U
YSOFT-D
YSUS-G
YSUS-B
YSUS-G
YSUS-B
YSUS-U2
YSUS-D2
YSUS-U1
YSUS-D1
YSUS-U1
YSUS-D1
YSUS-MSK
YOFS
YSUS-MSK
YOFS
YSUS-PD
SCN_5V_PD
Y_DD_PD
SCAN_PD
YDRIVE_PD
16.5V
DGND
6.5V
DGND
N.C.
N.C.
VSUS VSUS 215V
VH OVP
VOFS UVP
VH UVP
VSUS
N.C.
SUSGND
SUSGND
VH
5V
VSUS
VH
IC5V
CN2101CN2102
IC2305
5V
IC5V
VH
VF+
Y2
Y3
Y1
VOFS OVP
VOFS
IC5V UVP
VF-
IC2202
L2204
L2205
YSUS
-U2
YSUS-D2
HB
DRIVER
XSUS
P.D.
Circuit
Photo
Coupler
5V
VSUS
To
SCAN ASSY
To
43 SCAN A ASSY
From DIGITAL VIDEO ASSY
From POWER SUPPLY UNIT
To
43 SCAN B ASSY
5V
16.5V
VSUS
5V
16.5V
IC2201
IC2302
IC2304
IC5V, VF
D-D CONV.
T2402
VOFS
D-D CONV.
T2403
VH D-D
CONV.
T2401
L2202
L2203
SUS
GND
SUS
GND
IC2311
IC2301
CN2001
CN2301
Y4
1
2
3
4
5
6
7
8
9
10
11
• Block Diagram

Related product manuals