EasyManua.ls Logo

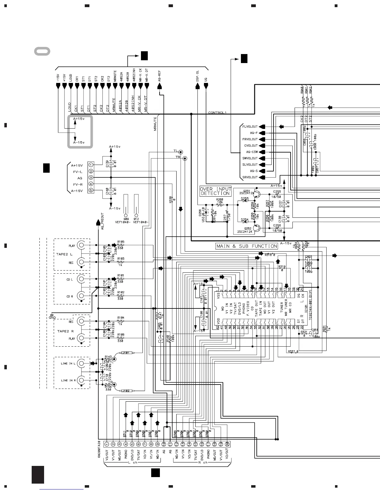
Pioneer VSA-E07 - Schematic Diagram; Main Control Assembly Schematic Diagram (1;3)

Pioneer VSA-E07
25 pages
Print Icon
To Next Page IconTo Next Page
To Next Page IconTo Next Page
To Previous Page IconTo Previous Page
To Previous Page IconTo Previous Page
Loading...
VSA-E07
10
A
B
C
D
1
23
4
1234
1SS355
1SS355
D
2/3
D
2/3
S
F
CN7005
CN906
52045-0545
CN1353
C
CN101
JA901 (1/2)JA901 (2/2)
JA901 : AKB7075
JA911 : AKB7075
DB916NS0
DB216NS0
JA911 (1/2)JA911 (2/2)
P
P
LD
CD
T2
TU
V2
CD
CD
T2
TU
T2
TU
T2
V1
MD
TV
LD
TV
V2
V1
MD
: The power supply is shown
with the marked box.
TU
3. SCHEMATIC DIAGRAM
1/3F
D
3.1 MAIN CONTROL ASSY (1/3)

Other manuals for Pioneer VSA-E07

Related product manuals