EasyManua.ls Logo

Pioneer VSA-E07 - Page 11

Pioneer VSA-E07
25 pages
Print Icon
To Next Page IconTo Next Page
To Next Page IconTo Next Page
To Previous Page IconTo Previous Page
To Previous Page IconTo Previous Page
Loading...
VSA-E07
11
A
B
C
D
5
678
5
6
7
8
1/2
2/2
1/3 F
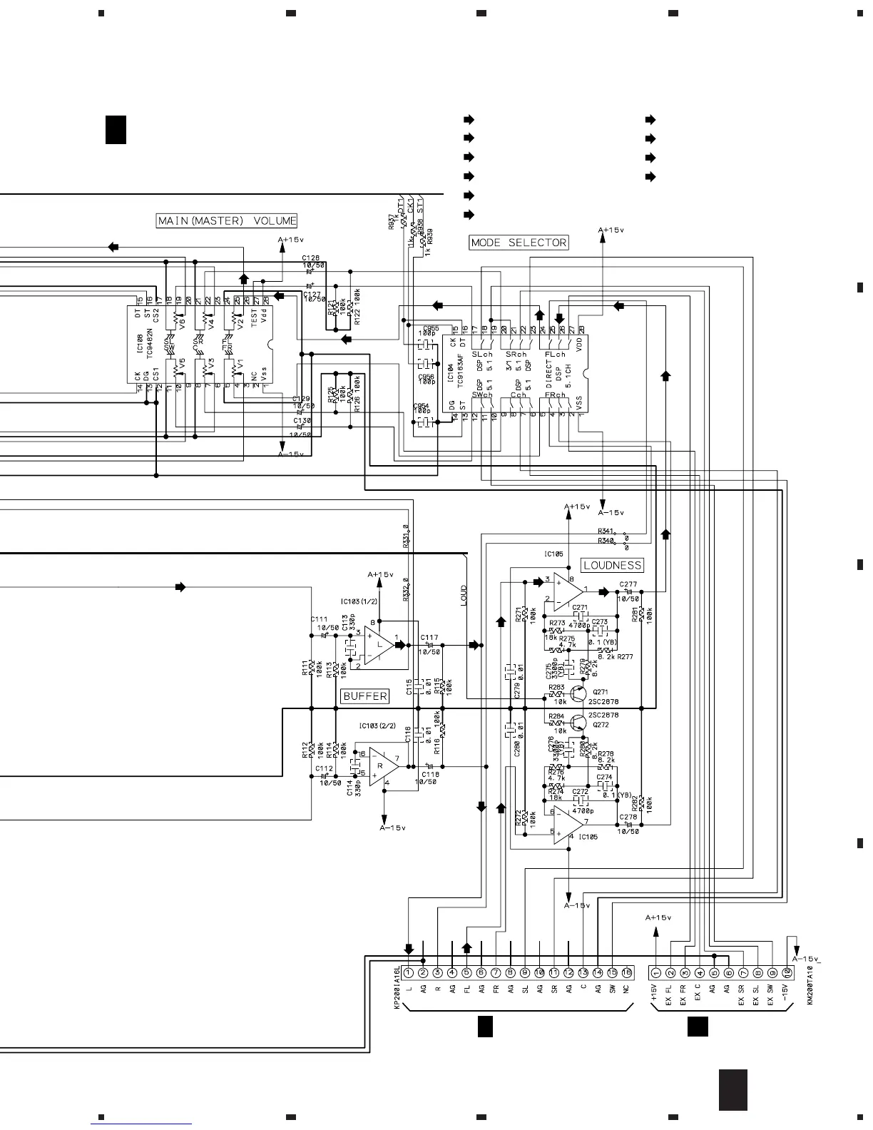
MAIN CONTROL ASSY
(AWX7340)
D
CN5004 CN1302
CN103
CN104
C
UPC4570G2
UPC4570G2
UPC4570G2
UPC4570G2
M
F
: AUDIO SIGNAL ROUTE (LD)
LD
: AUDIO SIGNAL ROUTE
: AUDIO SIGNAL ROUTE (TV)
TV
: AUDIO SIGNAL ROUTE (VCR1)
V1
: AUDIO SIGNAL ROUTE (VCR2)
V2
: AUDIO SIGNAL ROUTE (MD)
MD
: AUDIO SIGNAL ROUTE (PHONO)
P
: AUDIO SIGNAL ROUTE (TUNER)
TU
: AUDIO SIGNAL ROUTE (CD)
CD
: AUDIO SIGNAL ROUTE (TAPE2)
T2
Note : When ordering service parts, be sure to refer to "EXPLODED VIEWS and PARTS LIST" or "PCB PARTS LIST"
1/3F
D

Other manuals for Pioneer VSA-E07

Related product manuals