EasyManua.ls Logo

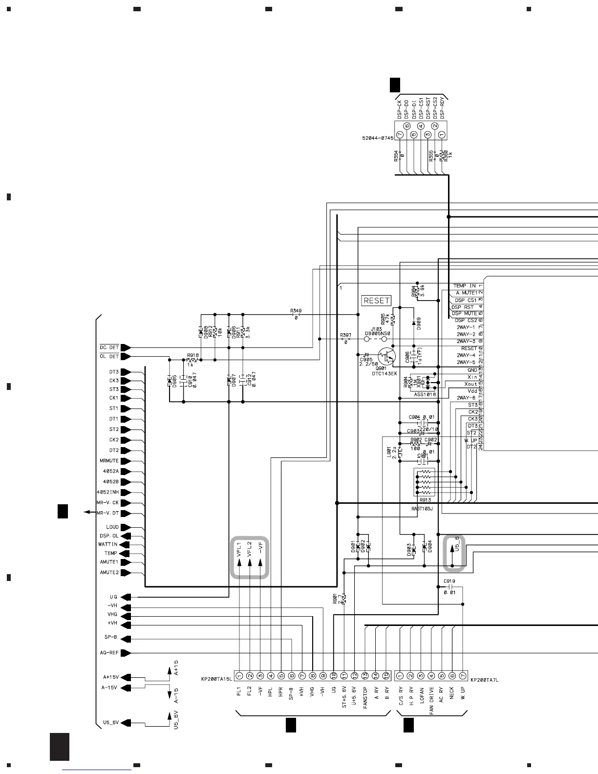
Pioneer VSA-E07 - Main Control Assembly Schematic Diagram (3;3)

Pioneer VSA-E07
25 pages
Print Icon
To Next Page IconTo Next Page
To Next Page IconTo Next Page
To Previous Page IconTo Previous Page
To Previous Page IconTo Previous Page
Loading...
VSA-E07
12
A
B
C
D
1
23
4
1234
D905-D908
1SS355
1SS355
D901-D904
1SS355
D
2/3
Y
4/5
M
F
M
F
CN9551
CN903
CN920
CN901
CN5008CN5005
3/3F
D
3.2 MAIN CONTROL ASSY (3/3)

Other manuals for Pioneer VSA-E07

Related product manuals