EasyManua.ls Logo

Pioneer VSA-E07 - Page 15

Pioneer VSA-E07
25 pages
Print Icon
To Next Page IconTo Next Page
To Next Page IconTo Next Page
To Previous Page IconTo Previous Page
To Previous Page IconTo Previous Page
Loading...
VSA-E07
15
A
B
C
D
5
678
5
6
7
8
IC7601 (2/2)
UPC4570G2
IC7501 (2/2)
UPC4570G2
IC7541 (2/2)
UPC4570G2
IC7521 (2/2)
UPC4570G2
IC7621 (2/2)
UPC4570G2
E
2/2
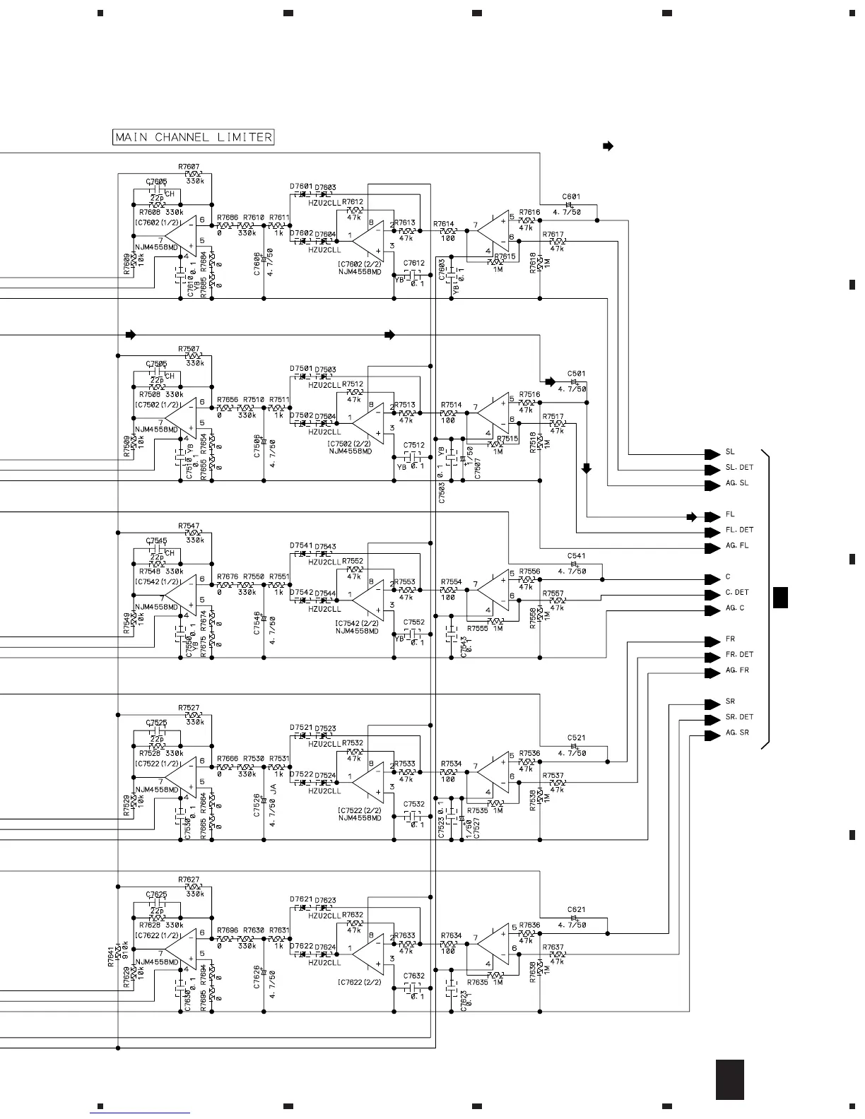
: AUDIO SIGNAL ROUTE
1/2F
E

Other manuals for Pioneer VSA-E07

Related product manuals