EasyManua.ls Logo

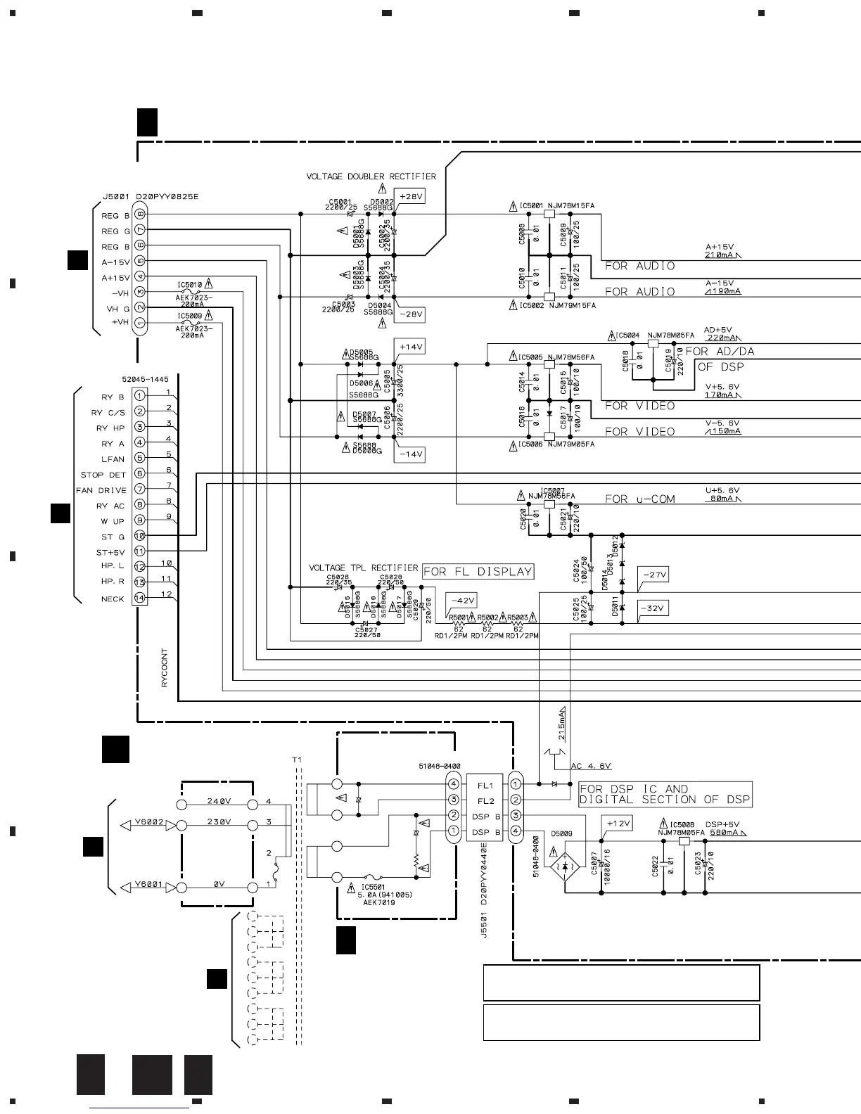
Pioneer VSA-E07 - Regulator, Trans 1 & Trans 2-2 Schematic Diagram

Pioneer VSA-E07
25 pages
Print Icon
To Next Page IconTo Next Page
To Next Page IconTo Next Page
To Previous Page IconTo Previous Page
To Previous Page IconTo Previous Page
Loading...
VSA-E07
16
A
B
C
D
1
23
4
1234
D5010
1SS133
MTZJ10CMTZJ5.1B
TRANS 1 ASSY
(AWX7316)
TRANS 2-2 ASSY
(AWX7470)
POWER TRANSFORMER
3004
CN5001
CN5002
5501
5009
52147-0810
L
V
J
CN3003
L
N
LN4SB60-4003
C5501
R5501
C5501
ACH1237
NP 1/100
R5501
22
C5502
ACH1237
NP 1/100
C5030
ACH1237
NP 1/100
REGULATOR ASSY (AWX7559)
F
M
F
O
CAUTION : FOR CONTINUED PROTECTION AGAINST RISK OF FIRE.
REPLACE ONLY WITH SAME TYPE NO. 491.200 MFD, BY
LITTELFUSE INC. FOR IC5009, IC5010 (AEK7023).
CAUTION : FOR CONTINUED PROTECTION AGAINST RISK OF FIRE.
REPLACE ONLY WITH SAME TYPE NO. 491005 MFD, BY
LITTELFUSE INC. FOR IC5501 (AEK7019).
3.4 REGULATOR, TRANS 1 and TRANS 2-2 ASSYS
N
F
O
F
M

Other manuals for Pioneer VSA-E07

Related product manuals