EasyManua.ls Logo

Plusivo DM501D - Joules Law for Electrical Power; Example

Plusivo DM501D
49 pages
Print Icon
To Next Page IconTo Next Page
To Next Page IconTo Next Page
To Previous Page IconTo Previous Page
To Previous Page IconTo Previous Page
Loading...
8.2 Joule's Law for Electrical Power
Electric power is the rate of the emitting power from a resistor per unit time, the unit of power is
watt.
𝑃 = 𝐼 Β· 𝑉
𝑃 = 𝐼
2
Β· 𝑅
𝑃 =
𝑉
2
𝑅
P is the power on the resistor.
I is the current through the resistor.
V is the voltage around the resistor.
R is the resistance.
Note: There are many types of emitting power, it may be a rotary power, light, heat, etc.
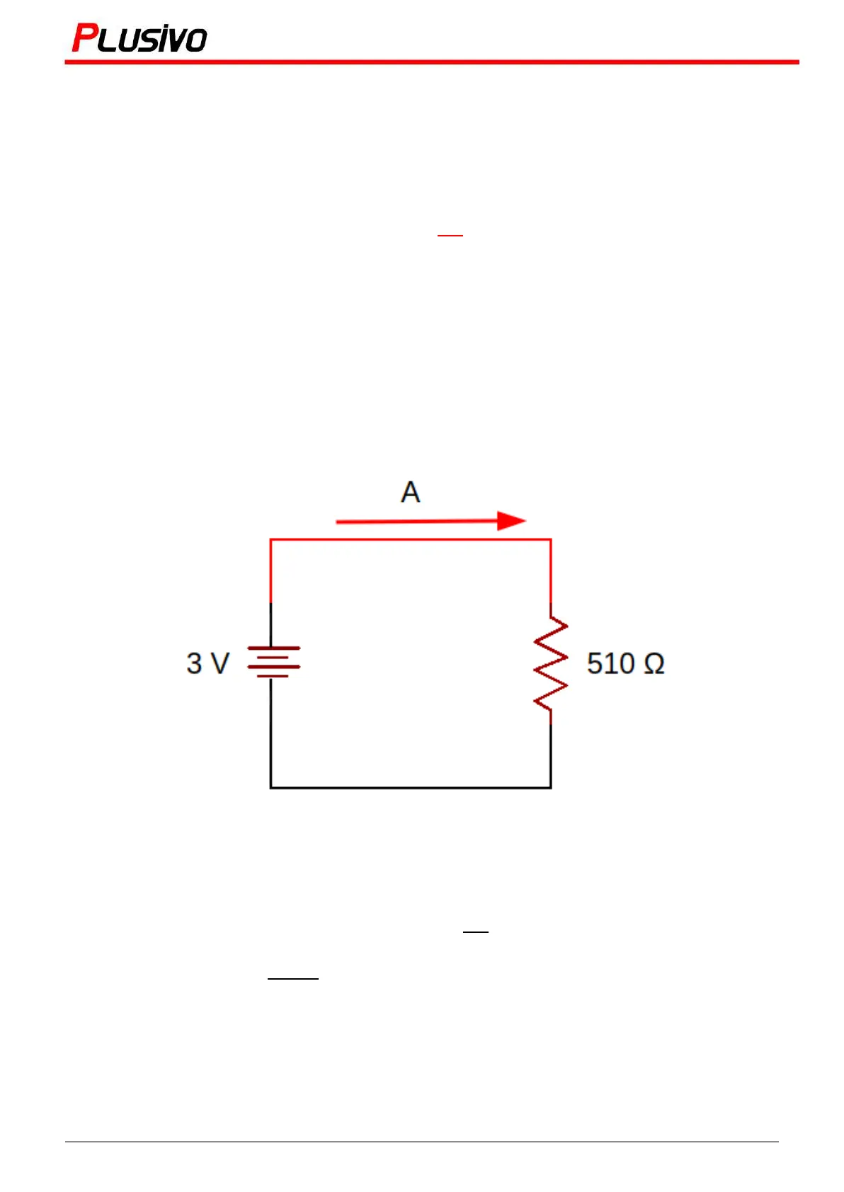
8.2.1 Example
Calculate the power on the resistor.
To calculate the power on the resistor, we need any two values of these: Voltage, Current or
Resistance.
In our example, we have the voltage and the resistance, so we can use this formula:
𝑃 =
𝑉
2
𝑅
(3 𝑉)
2
510 Ξ©
= 0. 0176 π‘Š = 17. 6 π‘šπ‘Š
Let us see what we will get if we built this circuit in reality and calculate the power using the
multimeter.
24
Mastering the Art of Measurement (DM501D Digital Multimeter) r.01 www.plusivo.com

Related product manuals