EasyManua.ls Logo

Powermatic PM2000B - Electrical Connections Diagrams; Wiring diagram - 3 HP, 230 V, 1 PH

Powermatic PM2000B
52 pages
Print Icon
To Next Page IconTo Next Page
To Next Page IconTo Next Page
To Previous Page IconTo Previous Page
To Previous Page IconTo Previous Page
Loading...
47
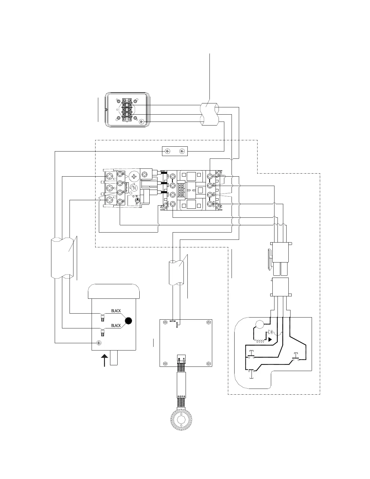
15.0 Electrical Connections
15.1 Wiring diagram – 3HP, 230V, 1PH
LED
Power Supply
BLACK
GREEN
WHITE
230V
(CCW)
Running Direction
WHITE
BLACK
GREEN
RED
RED
WHITE
WHITE
BLACK
RED
YELLOW
BLACK
RED
BLACK
WHITE
WHITE
BLACK
GREEN
WHITE
BLACK
GREEN
BLACK
WHITE
YELLOW YELLOW
BLACK
WHITE
RED
Angle Sensor
DRO Connection Cable
SJT 18AWG*2C*1400mm
SJT 12AWG*3C*1900mm
Motor Cable
SJT 12AWG*3C*2000mm
Power Cable
Magnetic Switch
DRO
OVERLOAD RELAY MAGNETIC CONTACTOR

Table of Contents

Other manuals for Powermatic PM2000B

Related product manuals