EasyManua.ls Logo

Powermatic PM2000B - Wiring diagram - 5 HP, 460 V, 3 PH

Powermatic PM2000B
52 pages
Print Icon
To Next Page IconTo Next Page
To Next Page IconTo Next Page
To Previous Page IconTo Previous Page
To Previous Page IconTo Previous Page
Loading...
50
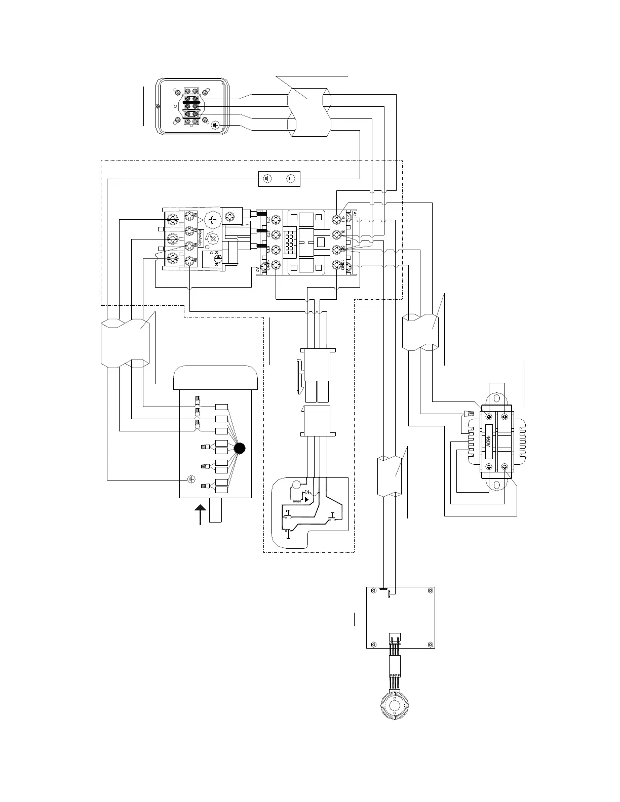
15.4 Wiring diagram – 5HP, 460V, 3PH
Magnetic Switch
GREEN
WHITE
RED
BLACK
BLACK
GREEN
YELLOW
YELLOWYELLOW
BLACK
RED
WHITE
GREEN
RED
RED
WHITE
RED
WHITE
BLACK
RED
ST 12AWG*4C*2000mm
Power Cable
WHITE
RED
WHITE
Motor Cable
AWM 10AWG*4C*1900mm
460V
4
5
9
1
2
6
8
3
7
WHITE
BLACK
RED
GREEN
Conver to 460V
BLACK
WHITE
RED
Power Supply
LED
WHITE
RED
BLACK
WHITE
BLACK
Transformer Connection Cable
RED
WHITE
BLACK
SJT 18AWG*3C*2100mm
BLACK
RED
MAGNETIC CONTACTOROverload RELAY
Run Direction
(CCW)
DRO Connection Cable
SJT 18AWG*2C*1400mm
Angle Sensor
BLACK
WHITE WHITE
BLACK
DRO

Table of Contents

Other manuals for Powermatic PM2000B

Related product manuals