EasyManua.ls Logo

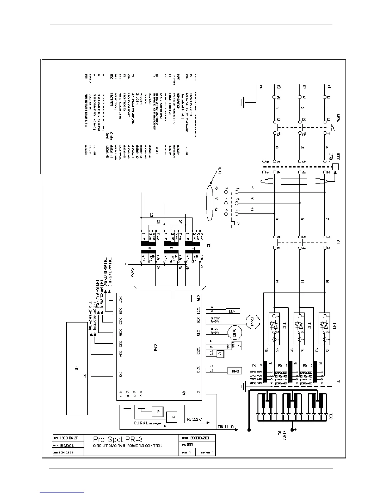
Pro Spot PR-8 - F2. Block Diagram

Pro Spot PR-8
29 pages
Print Icon
To Next Page IconTo Next Page
To Next Page IconTo Next Page
To Previous Page IconTo Previous Page
To Previous Page IconTo Previous Page
Loading...
- 20 -
Pro Spot PR-8
GB/US/2000-08
PRO SPOT
F2. Block diagram
Protect the equipment by means of an RCD where required by local regulations.
F. Technical specification

Related product manuals