EasyManua.ls Logo

Pro Spot SP-5 - Page 43

Pro Spot SP-5
52 pages
Print Icon
To Next Page IconTo Next Page
To Next Page IconTo Next Page
To Previous Page IconTo Previous Page
To Previous Page IconTo Previous Page
Loading...
85
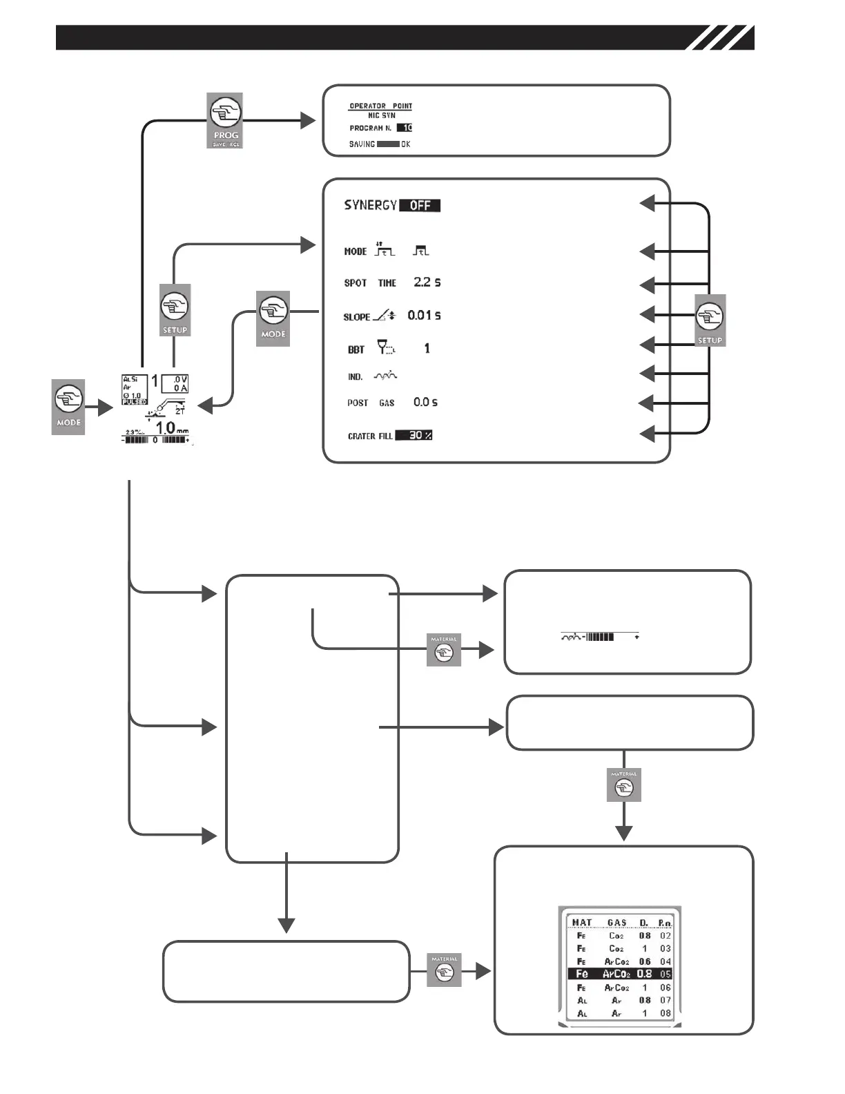
CUADRO ESQUEMÁTICO DE REGULACIONES MAG
MAG
SYNERGY OFF
SYNERGY ON
PULSED
DER -
Tensión (V)
IZQ - Velocidad del hilo (m/min)
Inductancia electrónica
DER -Espesor (mm)
IZQ -Estabilidad hilo (±40%)
DER -Espesor (mm)
IZQ -Estabilidad hilo (±40%)
Programas de soldadura
predefinidos
Este botón guarda y recupera
los puntos configurables por el
operador
SYNERGY OFF
SYNERGY ON
PULSED
MODE :2T/4T/Spot
Spot Time : (0-10 seg)
Slope : (0-1.50 seg)
BBT: (1-10)
IND.: (0-11)
POST GAS: (0 – 5 Seg.)
CRATER FILL (30-100%)
43

Related product manuals