EasyManua.ls Logo

ProArc PT-200s - Page 11

ProArc PT-200s
39 pages
Print Icon
To Next Page IconTo Next Page
To Next Page IconTo Next Page
To Previous Page IconTo Previous Page
To Previous Page IconTo Previous Page
Loading...
5
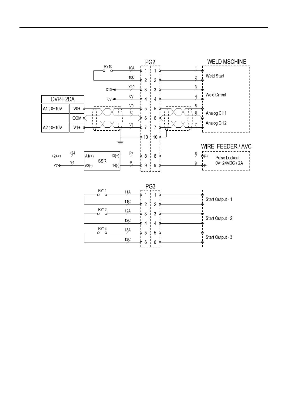
1.3 CONNECTOR
Welding equipment connection