EasyManua.ls Logo

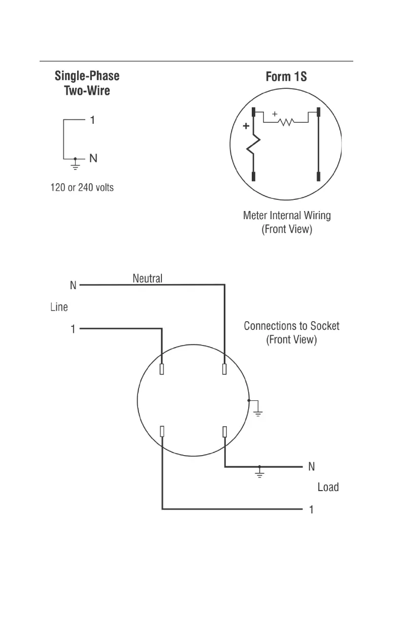
Probewell MT-1/WT3 - Form 1 S

Probewell MT-1/WT3
84 pages
Print Icon
To Next Page IconTo Next Page
To Next Page IconTo Next Page
To Previous Page IconTo Previous Page
To Previous Page IconTo Previous Page
Loading...
Probewell Lab Inc.
Page 48
Form 1S

Table of Contents