EasyManua.ls Logo

Probewell MT-1/WT3 - Form 3 S

Probewell MT-1/WT3
84 pages
Print Icon
To Next Page IconTo Next Page
To Next Page IconTo Next Page
To Previous Page IconTo Previous Page
To Previous Page IconTo Previous Page
Loading...
Probewell Lab Inc.
Page 50
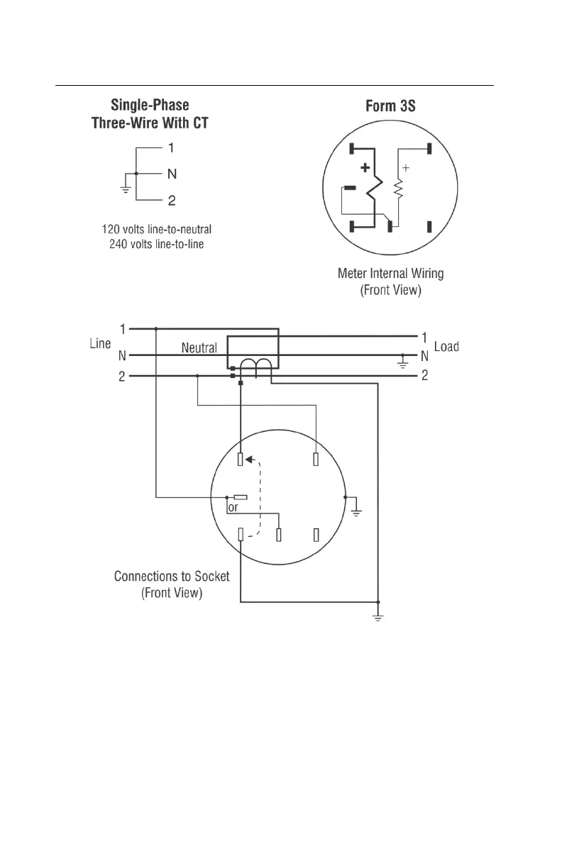
Form 3S
Form 3S single-phase, 120 volts two-wire with CT is also compatible.
Caution: Never open a circuit-closing device if current is flowing in the CT primary.
Serious personal injury may result.
Note: Some older-design 3S, 240 V forms have higher impedance and will not reach
full HL when tested with MT-1/WT3. However, the socket will test as high as it can.

Table of Contents