EasyManua.ls Logo

Probewell MT-1/WT3 - Form 5 S, 35 S & 45 S Fitzall Tm (N 2 CT)

Probewell MT-1/WT3
84 pages
Print Icon
To Next Page IconTo Next Page
To Next Page IconTo Next Page
To Previous Page IconTo Previous Page
To Previous Page IconTo Previous Page
Loading...
Probewell Lab Inc.
Page 54
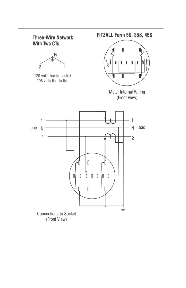
Form 5S, 35S & 45S Fitzall
tm
(N 2CT)
Caution: Never open a circuit-closing device if current is flowing in either CT
primaries. Serious personal injury may result.

Table of Contents