EasyManua.ls Logo

Prochem PEAK - Wiring Diagram

Prochem PEAK
101 pages
Print Icon
To Next Page IconTo Next Page
To Next Page IconTo Next Page
To Previous Page IconTo Previous Page
To Previous Page IconTo Previous Page
Loading...
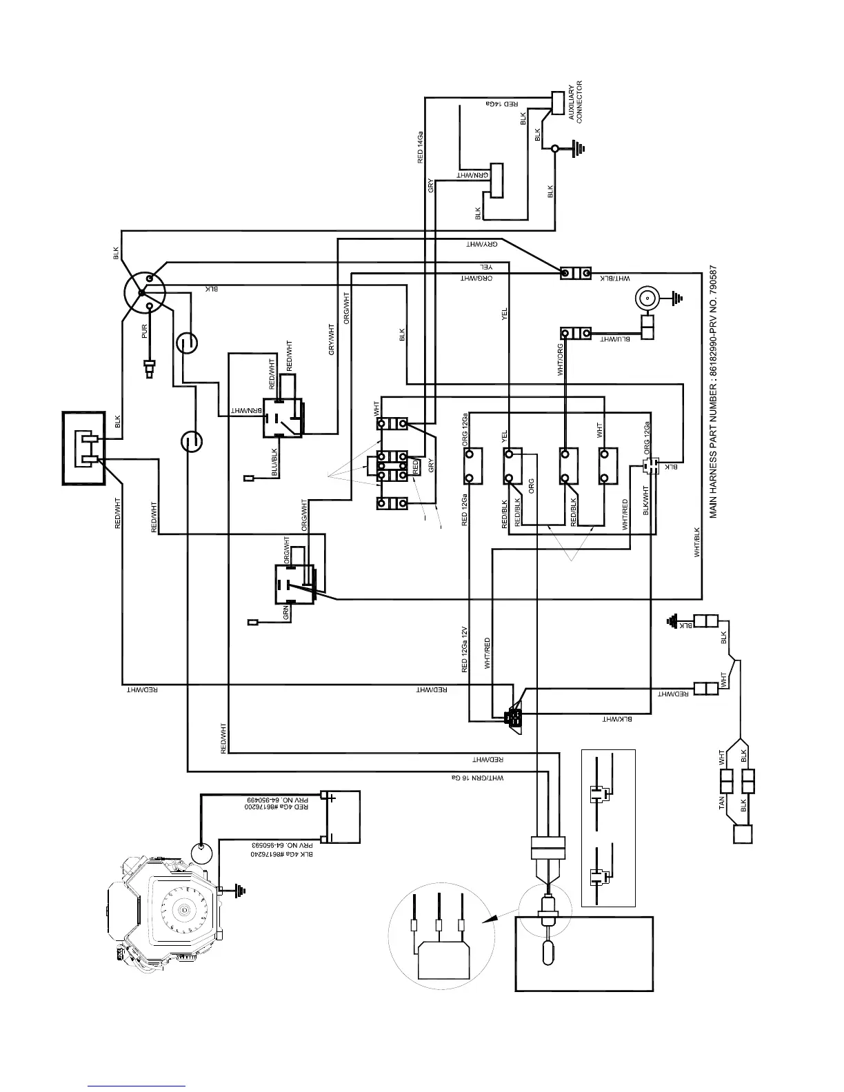
WIRING DIAGRAM
PEAK 86037220 02/12/07
5-61
86028960
PRV NO. 790152
86028850
PRV NO. 790493
86260090
PRV NO. 790492
86027950
PRV NO. 790491
F
M
F
M
ENGINE CONNECTOR
#25-155-06
PART #42-902318
-
+
-
+
N.O.
TO KOHLER
OIL PRESSURE
SWITCH
(ON ENGINE
GREEN WIRE)
86
87a
87
85
30
SHUTDOWN RELAY
#86191740
PRV NO. 35-900188
TO KOHLER
TEMPERATURE
SENDER
(ON ENGINE
ORANGE
WIRE)
USE ENGINE
MOUNTING BOLTS
FOR GROUNDING
BLK 16Ga
IGNITION SWITCH
#86186020
PRV NO. 32-900174
WATER PUMP
CLUTCH
SHUTDOWN RELAY
#86191740
PRV NO. 35-900188
BATTERY
#86174580
PRV NO. 36-900056
EXTERNAL FUEL
PUMP
TEMPERATURE GAUGE
#86181960
PRV NO. 36229
HOUR METER
#86246890
PRV NO. 54092
PUMP-OUT CIRCUIT BRKT
#86230070-PRV NO. 140634
FEMALE CONNECTOR
FOR PUMPOUT
FUEL PUMP CORD
#86176930
PRV NO. 790579
TEMPERATURE SENDER
#86192490
PRV NO. 34-903019
LOCATED ON
SOLUTION MANIFOLD
MAIN CIRCUIT BRKT
#86175620-PRV NO. 140654
ENGINE CIRCUIT BRKT
#86175600-PRV NO. 140624
WATER PUMP CIRCUIT BRKT
#86175600-PRV NO. 140624
ORG/WHT
EXTRA WIRE FOR
FUTURE USE
BA
N.C. N.C.N.O.
HIGH ENGINE
TEMPERATURE LIGHT
#86186930-PRV NO. 51387
WASTE TANK FULL LIGHT
#86186930
PRV NO. 51387
BLK 16Ga
N.O.
WHT/GRN 16Ga
85
87a
86
87
30
-
G
I
+
S
N.C.
PUMPOUT SWITCH
#86193850
PRV NO. 730202
25
AMP
AMP
15
15
AMP
AMP
20
M
F
CB
A
WHT/GRN
WHT/GRN 16Ga
BLK
WHT
REAR OF
CONNECTORS
WHT
GRN
BLK
RED/WHT
ORG/WHT
RED/WHT
F
M
COM
N.C.
N.O.
ENGINE SHUTOFF
SWITCH
WASTE TANK
BLK
WHT
GRN
GRN
M
F
STARTER
NEG POS
ENGINE
WATER PRESSURE
PUMP SWITCH
N.O. CONTACT BLOCKS
#86193750-PRV NO. 32-900205

Table of Contents

Related product manuals