EasyManua.ls Logo

Prochem PEAK - Solution Manifold

Prochem PEAK
101 pages
Print Icon
To Next Page IconTo Next Page
To Next Page IconTo Next Page
To Previous Page IconTo Previous Page
To Previous Page IconTo Previous Page
Loading...
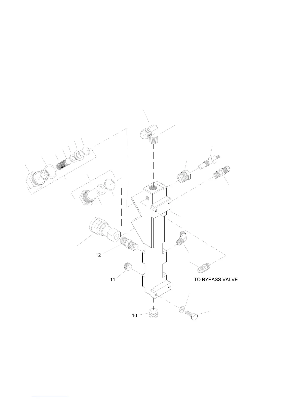
SOLUTION MANIFOLD
PEAK 86037220 05/22/08
5-25
9
8
3
2
13
1
7
15
5
6
TO CHEMICAL PRIME
4
TO ELBOW ON TOP OF SECOND
HEAT EXCHANGER CORE
21
20
19
18
16
17
14
24
23
22

Table of Contents

Related product manuals