EasyManua.ls Logo

Prochem PEAK - Engine

Prochem PEAK
101 pages
Print Icon
To Next Page IconTo Next Page
To Next Page IconTo Next Page
To Previous Page IconTo Previous Page
To Previous Page IconTo Previous Page
Loading...
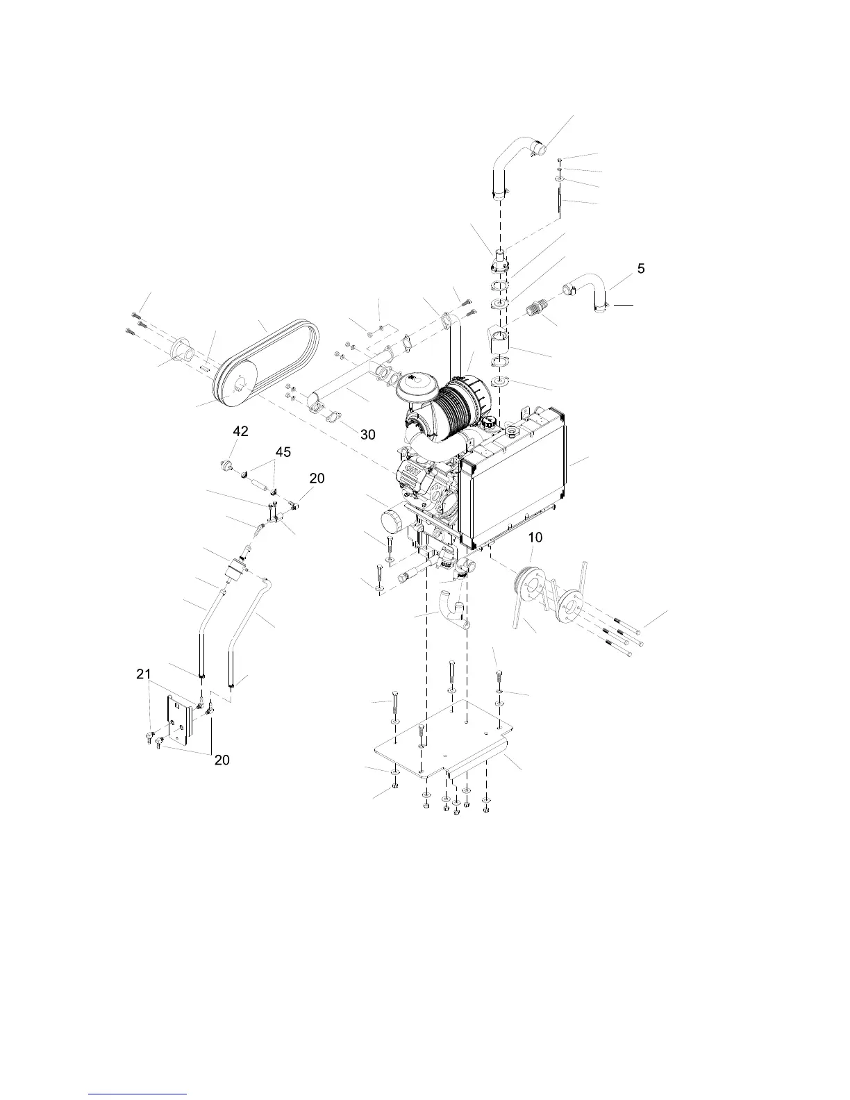
ENGINE
PEAK 86037220 02/12/07
5-13
47
25
SUPPLIED WITH
ENGINE
43
44
23
41
SUPPLIED WITH
ENGINE
40
38
39
SUPPLIED WITH
ENGINE
35
36
37
13
6
7
1
2
3
4
8
9
14
15
12
34
33
29
26
18
24
28
31
45
18
17
19
32
45
46
27
6
16
SUPPLIED WITH ENGINE

Table of Contents

Related product manuals