EasyManua.ls Logo

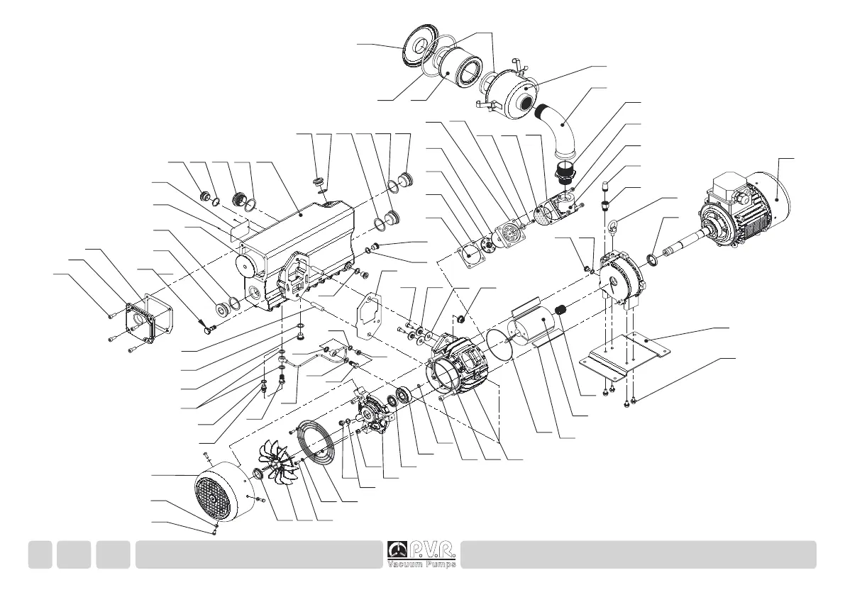
PVR EM Series - Em40 - Em40;B; Esploso

PVR EM Series
44 pages
Print Icon
To Next Page IconTo Next Page
To Next Page IconTo Next Page
To Previous Page IconTo Previous Page
To Previous Page IconTo Previous Page
Loading...
40
ITA ENG
29
6
5
17
16
49
50 45
74
10
9
40
72
70
51
41
19
43
304
303 306
302
301
47
21
12
10
9
11
17
16
4
3
44
58
73
300
25
22
20
23
24
47
26
55
18
13
31 42
52
53
1
52
48
46
7
8
2
57
6
27
28
56
18
13
16
17
7
8
7
76
77
76
71
13
18
85
79
81
30
13
18
78
75
82
79
85
87
86
76
305
EM40 - EM40/B

Related product manuals