EasyManua.ls Logo

Quectel RM502Q-GL - Antenna Connector Size

Quectel RM502Q-GL
84 pages
Print Icon
To Next Page IconTo Next Page
To Next Page IconTo Next Page
To Previous Page IconTo Previous Page
To Previous Page IconTo Previous Page
Loading...
5G Module Series
RM502Q-GL Hardware Design
RM502Q-GL_Hardware_Design 65 / 83
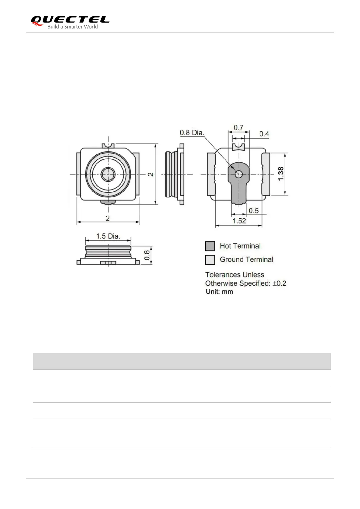
5.3.2. Antenna Connector Size
RM502Q-GL is mounted with standard 2 mm × 2 mm receptacle antenna connectors for convenient
antenna connection. The antenna connector’s PN is IPEX 20579-001E, and the connector dimensions
are illustrated as below:
The connector dimensions are illustrated by the figure below:
Figure 29: RM502Q-GL RF Connector Dimensions (Unit: mm)
Table 37: Major Specifications of the RF Connector
Item
Specification
Nominal Frequency Range
DC to 6 GHz
Nominal Impedance
50 Ω
Temperature Rating
-40 °C to +85 °C
Voltage Standing Wave Ratio (VSWR)
Meet the requirements of:
Max. 1.3 (DC3 GHz)
Max. 1.45 (36 GHz)

Table of Contents

Related product manuals