EasyManua.ls Logo

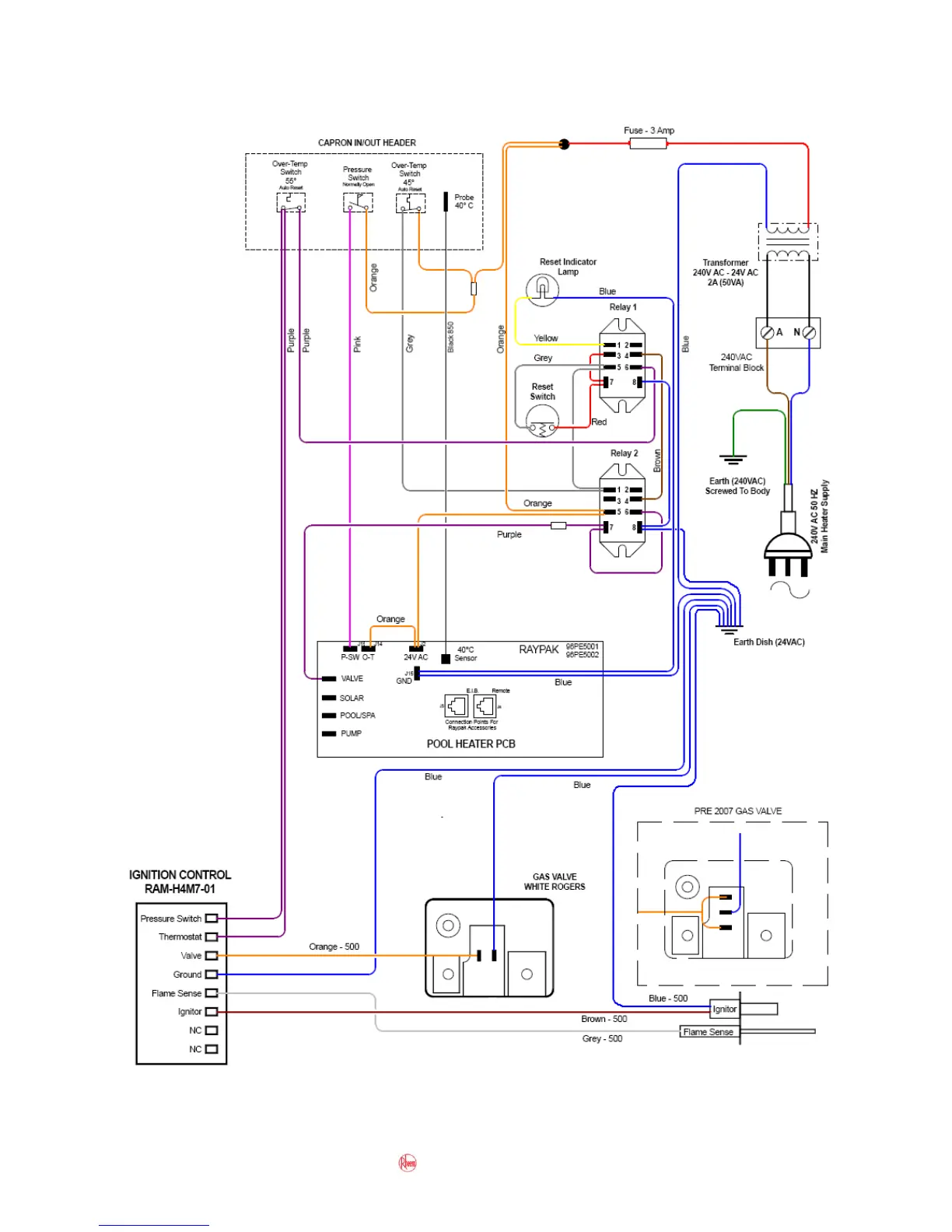
Raypak 131 - 131 Wiring Diagram - Black Control Board (prior to 14;4;09)

Raypak 131
61 pages
Print Icon
To Next Page IconTo Next Page
To Next Page IconTo Next Page
To Previous Page IconTo Previous Page
To Previous Page IconTo Previous Page
Loading...
TM018 Raypak 131 Type A Pool & Spa Heaters REV: A
D.O.I: 8/04/2009
This document is stored and maintained electronically by Service. All printed copies not bearing this statement in RED are deemed “uncontrolled”
10
131 Wiring Diagram Black Control Board (prior to 14/4/09)

Related product manuals