EasyManua.ls Logo

Raypak 131 - Fault Finding Chart 1

Raypak 131
61 pages
Print Icon
To Next Page IconTo Next Page
To Next Page IconTo Next Page
To Previous Page IconTo Previous Page
To Previous Page IconTo Previous Page
Loading...
TM018 Raypak 131 Type A Pool & Spa Heaters REV: A
D.O.I: 8/04/2009
This document is stored and maintained electronically by Service. All printed copies not bearing this statement in RED are deemed “uncontrolled”
21
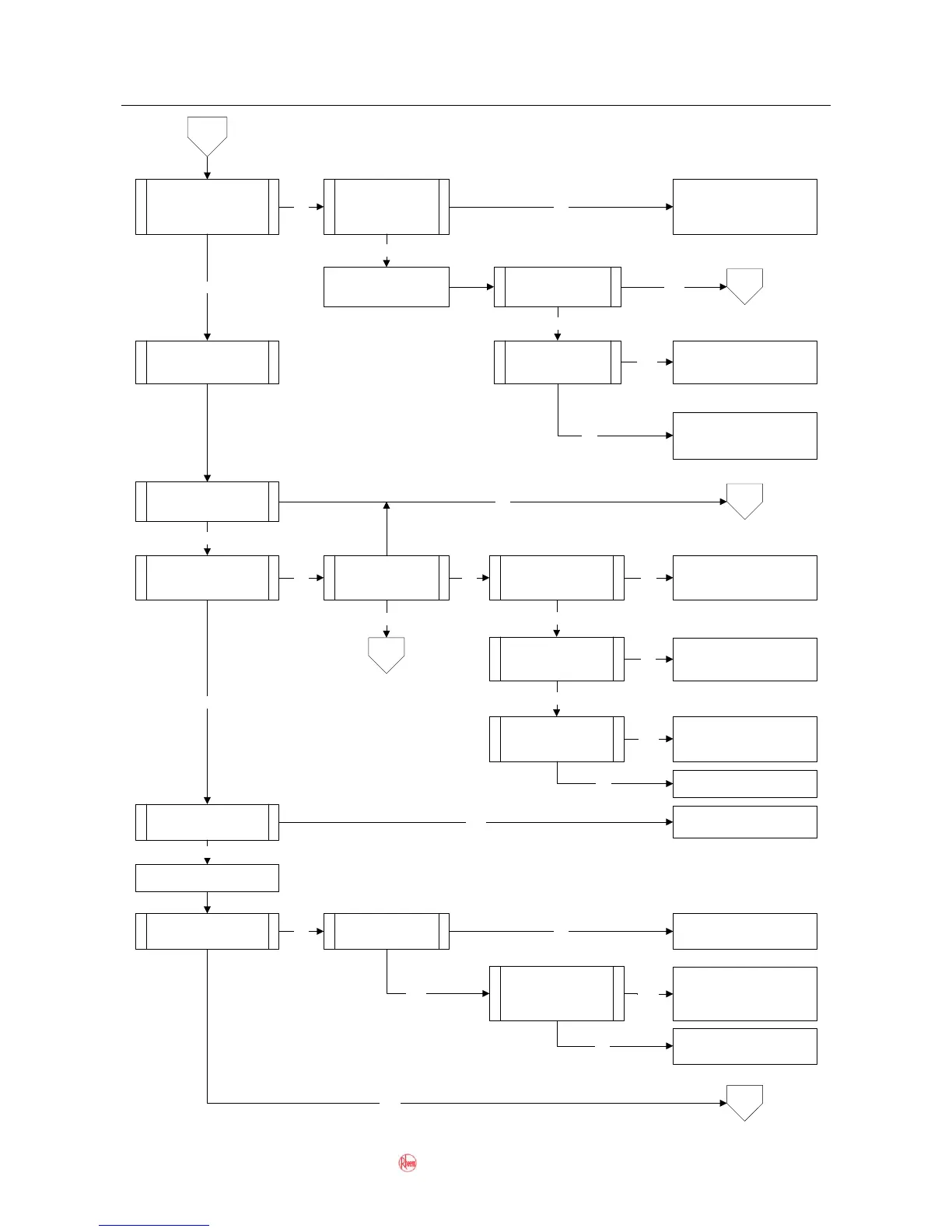
Fault Finding Chart 1
Is the red
reset button illuminated?
Turn off heater power
supply & restore power
after 5 seconds.
1.1
1
1.2
NO
Does the controller
display „OFF‟?
NO
Is 240 volts present at the
heater power supply
GPO?
YES
Test 1
Is the fuse blown at
the switchboard?
NO
Household wiring or power
point faulty. Advise customer
to call an electrician.
NO
YES
Did the fuse blow
again?
Is 240 volts present at
the heater power
supply GPO?
YES
NO
Faulty fuse replaced, check
appliance operation.
YES
Household wiring or power
point faulty. Advise customer
to call an electrician.
NO
Test 1
YES
YES
Are relay 2 contacts 5 &
1 closed?
Test 2
Are relay 1 contacts 5 &
1 closed?
YES
Test 3
Replace relay 2.NO
Replace relay 1.NO
Replace reset button.
YES
Does the red
reset light extinguish?
Is the reset button
contact block ok?
NO
Test 4
YES
Replace reset button.NO
Replace relay 1.
Is 24 volts present at
reset button LED
block?
YES
O/C wiring. NO
Test 5
Is 24 volts present at
relay 1 coil when reset
button is pressed &
held down?
YES
O/C wiring. NO
Test 6
1.3
YES
(1)
(1)
(1)
(1) If the heater does not have
a reset button contact Rheem
Service
Does the heater have
an auto reset PCB?
NO
1.3
YES
Does the heater have an
auto reset PCB?
NO
Replace auto reset safety
circuit board.
YES
Press and release
the reset button.
Replace Fuse

Related product manuals