EasyManua.ls Logo

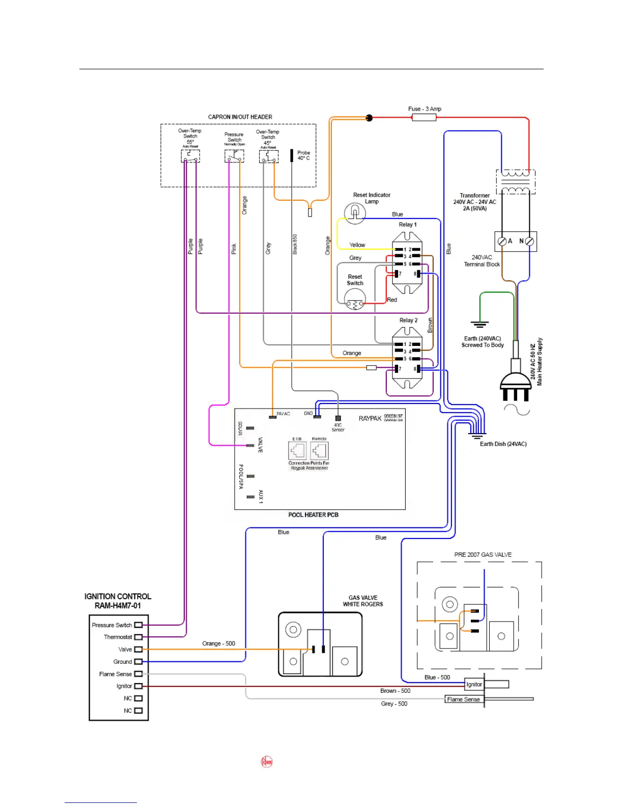
Raypak 131 - Wiring Diagrams; 131 Wiring Diagram - Grey Control Board

Raypak 131
61 pages
Print Icon
To Next Page IconTo Next Page
To Next Page IconTo Next Page
To Previous Page IconTo Previous Page
To Previous Page IconTo Previous Page
Loading...
TM018 Raypak 131 Type A Pool & Spa Heaters REV: A
D.O.I: 8/04/2009
This document is stored and maintained electronically by Service. All printed copies not bearing this statement in RED are deemed “uncontrolled”
9
Wiring Diagrams
131 Wiring Diagram Grey Control Board

Related product manuals