EasyManua.ls Logo

Realtek RTL8169 - Block Diagram

Default Icon
92 pages
Print Icon
To Next Page IconTo Next Page
To Next Page IconTo Next Page
To Previous Page IconTo Previous Page
To Previous Page IconTo Previous Page
Loading...
RTL8169
2002/03/27 Rev.1.21
4
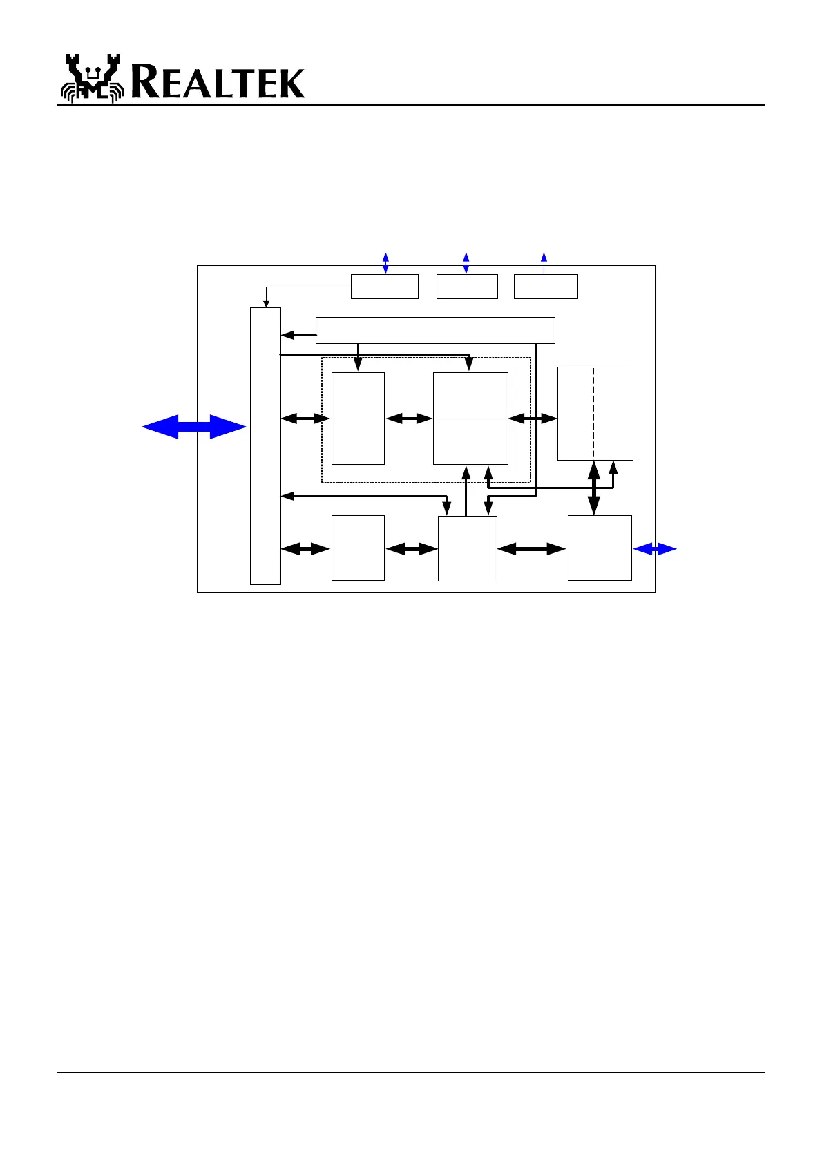
3. Block Diagram
MII/GMII/TBI
Interface
Interrupt
Control
Logic
FIFO
Transmit/
Receive
Logic
Interface
Early Interrupt
Control Logic
FIFO
Control
Logic
Packet Type
Discriminator
Power Control Logic
PCI Interface + Register
Packet Length
Register
Early Interrupt
Threshold
Register
Boot ROM
Interface
EEPROM
Interface
LED Driver
PCI Interface
MAC

Table of Contents

Related product manuals