EasyManua.ls Logo

Reflex Marine FROG-3 - Page 38

Reflex Marine FROG-3
77 pages
Print Icon
To Next Page IconTo Next Page
To Next Page IconTo Next Page
To Previous Page IconTo Previous Page
To Previous Page IconTo Previous Page
Loading...
User Manual
FROG-3
Rev 19 Page38
Pre-Operational Visual Check – 10 POINT Check
Check
Description
Reference
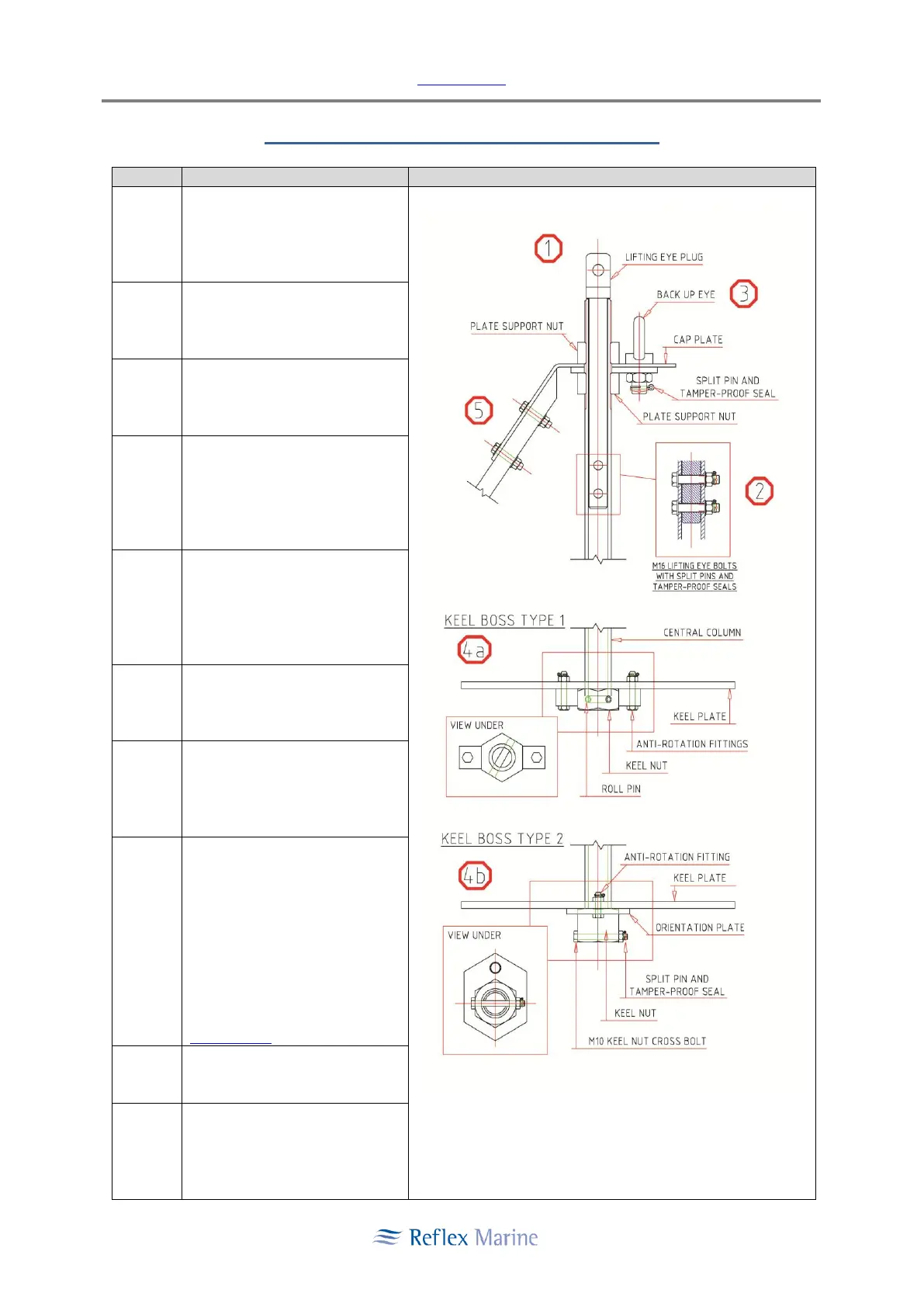
1.
Main Lift-Eye Plug
Check main lifting eye is fully
engaged (the machined shoulder
should rest on top of the
threaded main lifting column).
2.
Main Lift-Eye Plug M16 Bolts
Check two M16 lifting eye bolts,
nuts, split pins and tamper proof
seals are present and secure.
3.
Back-Up Lift-Eye
Check nut, split pin and tamper
proof seal are fitted and in good
order.
4a or 4b
M48 Keel Boss and either Roll
Pin or M10 Cross Bolt
Check keel boss and either cross
bolt or roll pin are in position
c/w split pin and tamper proof
seals and anti-rotation fittings.
5.
Frame and Buoyancy
Check for any damage and
ensure that all bolts and
fasteners are present, tight and
secure. Do not go underneath an
active lift.
6.
Seat Harness Security
Check seat harnesses operate
properly and attachment points
are secure.
7.
Inspection Data Plate &
Certification
Check the date of the last
examination/inspection to
ensure the unit is in compliance.
8.
Lifting Sling Set
Check slings are correctly
attached and in good order.
Check the split pins are fitted to
shackles. Slings should be in the
high visibility cover.
Check the anti-fouling bracket
and the back-up eye shackle
insert are in good condition (see
Section 5.4.2).
9.
Main Seat Spring
Check the spring condition and
test the operation of the spring.
10.
Seat Assembly Anti-Rotation
Fitting
Check the anti-rotation bolt (or
the roll-pin) is secure and
functioning correctly.
Link to Index
2
3
5

Table of Contents