EasyManua.ls Logo

REXROTH A2FO Series - Unit Dimensions - Size 45

REXROTH A2FO Series
20 pages
Print Icon
To Next Page IconTo Next Page
To Next Page IconTo Next Page
To Previous Page IconTo Previous Page
To Previous Page IconTo Previous Page
Loading...
10/20 Bosch Rexroth AG | Mobile Hydraulics A2FO | RE 91 401/09.00
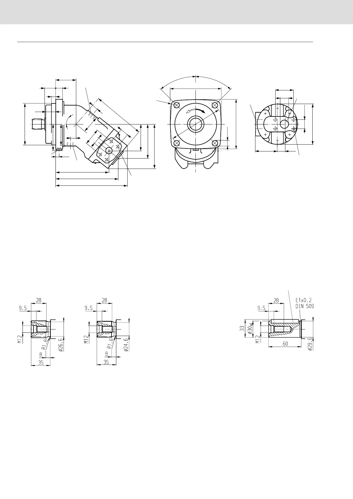
Unit Dimensions, Size 45
Before finalising your design, please request a certified drawing.
Note:
For
anti-clockwise
rotation port
plate is rotated through 180º
Connections
B(A) Service line ports SAE 3/4"
420 bar (6000 psi) high pressure series
S Suction port SAE 1"
350 bar (5000 psi) standard series
T
1
,T
2
Drain port (1 port plugged) M18x1,5
R Air bleed (plugged) M12x1,5
Shaft ends
50,8
19
23,8
60,3
20
32
12
18
T
2
ø125
h6
T
1
40
°
158
18
63
52
150
45
°
45
°
R 16
150
13,5
160
181
132
155
80
11
R
78
206
102
30
B (A)
63,5
20
118
25
52,4
26,2
S
A Splined shaft, DIN 5480
W 32x2x30x14x9g
Z Splined shaft, DIN 5480
W 30x2x30x14x9g
P Parallel shaft with key,
AS 8x7x50, DIN 6885
p
N
= 400 bar p
N
= 400 bar p
N
= 350 bar
M10; 17 deep
M10; 17 deep