EasyManua.ls Logo

REXROTH A2FO Series - Unit Dimensions - Sizes 10, 12, 16

REXROTH A2FO Series
20 pages
Print Icon
To Next Page IconTo Next Page
To Next Page IconTo Next Page
To Previous Page IconTo Previous Page
To Previous Page IconTo Previous Page
Loading...
8/20 Bosch Rexroth AG | Mobile Hydraulics A2FO | RE 91 401/09.00
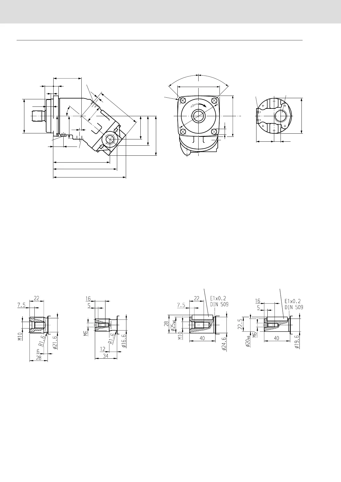
Unit Dimensions, Sizes 10, 12, 16
Before finalising your design, please request a certified drawing.
64,5
12
20
6
5
108
T
2
ø80
h6
5
53,5
T
1
41,5
40
°
95
45
°
45
°
R 10
95
9
100
55,5
93,5
147
130,5
23,5
R
48,5
167,5
69
18,2
B (A)
42,5
16
85
S
Note:
For
anti-clockwise
rotation port
plate is rotated through 180º
p
N
= 400 bar p
N
= 400 bar p
N
= 350 bar p
N
= 350 bar
Connections
B(A) Service line ports M22x1,5
S Suction port M33x2
T
1
,T
2
Drain port (1 port plugged) M12x1,5
R Air bleed (plugged) M8x1
Shaft ends
Sizes 10, 12, 16
A Splined shaft, DIN 5480
W 25x1,25x30x18x9g
Sizes 10, 12
Z Splined shaft, DIN 5480
W 20x1,25x30x14x9g
Sizes 10, 12, 16
B Parallel shaft with key,
AS 8x7x32, DIN 6885
Sizes 10, 12
P Parallel shaft with key,
AS 6x6x32, DIN 6885

Related product manuals