EasyManua.ls Logo

REXROTH A2FO Series - Unit Dimensions - Sizes 80, 90

REXROTH A2FO Series
20 pages
Print Icon
To Next Page IconTo Next Page
To Next Page IconTo Next Page
To Previous Page IconTo Previous Page
To Previous Page IconTo Previous Page
Loading...
12/20 Bosch Rexroth AG | Mobile Hydraulics A2FO | RE 91 401/09.00
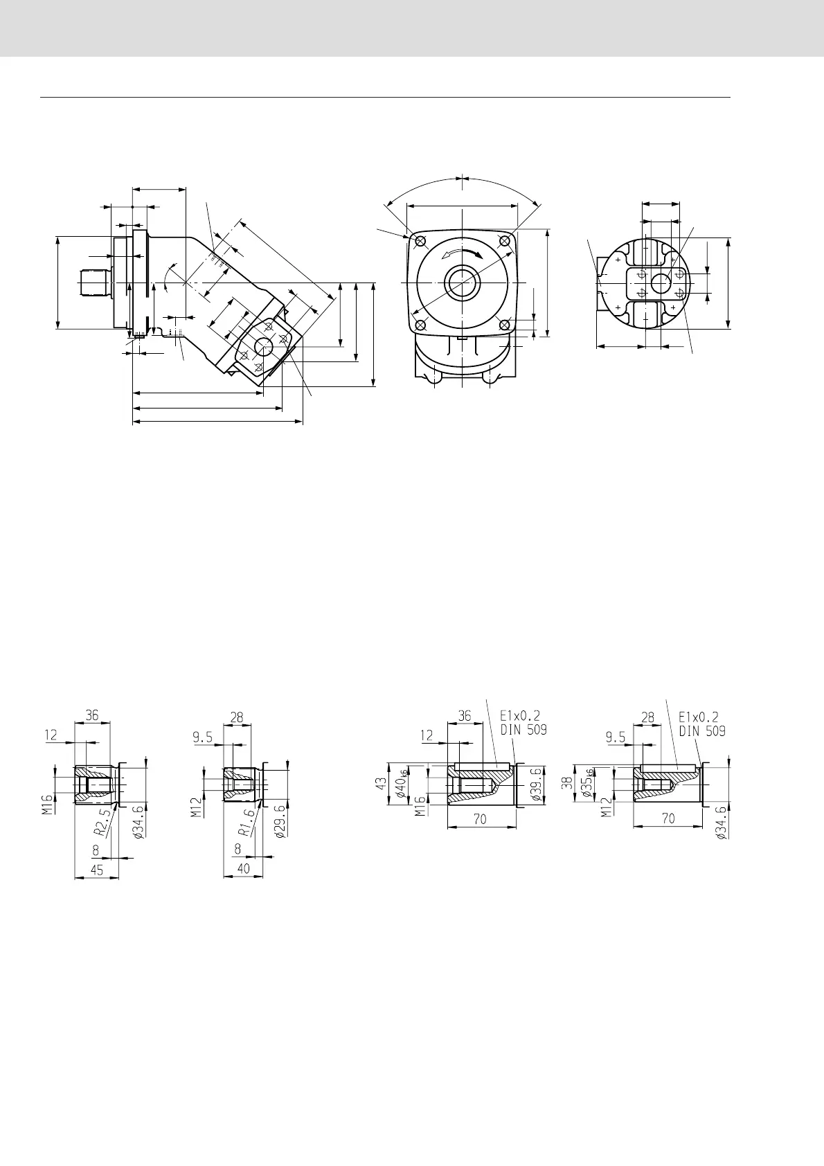
15
189,5
40
°
T
1
15
61
83
T
2
78,5
20
32
10
ø140
h6
45
°
45
°
R 16
165
165
13,5
180
196
99
255
160
27,8
57,2
25
11
R
85,5
223,5
122
29
B (A)
S
73
25
138
30,2
32
58,7
Unit Dimensions, Sizes 80, 90
Before finalising your design, please request a certified drawing.
Note:
For
anti-clockwise
rotation port
plate is rotated through 180º
Connections
B(A) Service line ports SAE 1"
420 bar (6000 psi) high pressure series
S Suction port SAE 1 1/4"
280 bar (4000 psi) standard series
T
1
,T
2
Drain port (1 port plugged) M18x1,5
R Air bleed (plugged) M12x1,5
Shaft ends
p
N
= 400 bar p
N
= 400 bar p
N
= 350 bar p
N
= 350 bar
Sizes 80, 90
A Splined shaft, DIN 5480
W 40x2x30x18x9g
Size 80
Z Splined shaft, DIN 5480
W 35x2x30x16x9g
Sizes 80, 90
B Parallel shaft with key,
AS 12x8x56, DIN 6885
Size 80
P Parallel shaft with key,
AS 10x8x56, DIN 6885
M12; 17 deep
M10; 17 deep

Related product manuals