EasyManua.ls Logo

REXROTH A2FO Series - Unit Dimensions - Sizes 23, 28, 32

REXROTH A2FO Series
20 pages
Print Icon
To Next Page IconTo Next Page
To Next Page IconTo Next Page
To Previous Page IconTo Previous Page
To Previous Page IconTo Previous Page
Loading...
RE 91 401/09.00 | A2FO Mobile Hydraulics | Bosch Rexroth AG 9/20
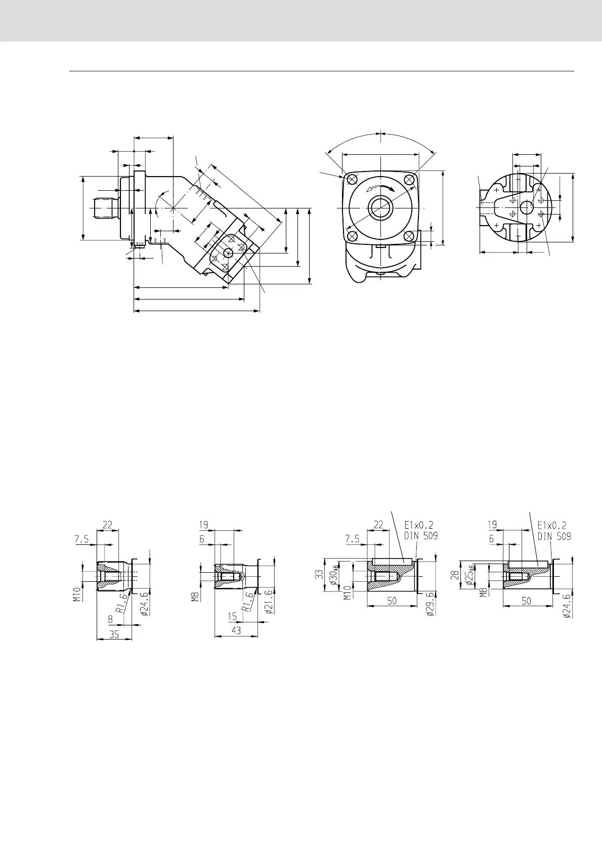
Unit Dimensions, Sizes 23, 28, 32
Before finalising your design, please request a certified drawing.
120
70
40,5
13
18,2
60,7
18
25
8
19
141
T
2
19
ø100
h6
T
1
40
°
55,5
118
45
°
45
°
R 12
118
11
125
48,5
169
144
9
R
61,5
193
91
23,2
60
14
106
19
47,6
22,2
B (A)
S
Note:
For
anti-clockwise
rotation port
plate is rotated through 180º
p
N
= 400 bar p
N
= 400 bar p
N
= 350 bar p
N
= 350 bar
Connections
B(A) Service line ports SAE 1/2"
420 bar (6000 psi) high pressure series
S Suction port SAE 3/4"
350 bar (5000 psi) standard series
T
1
,T
2
Drain port (1 port plugged) M16x1,5
R Air bleed (plugged) M10x1
Shaft ends
Sizes 23, 28, 32
A Splined shaft, DIN 5480
W 30x2x30x14x9g
Sizes 23, 28
Z Splined shaft, DIN 5480
W 25x1,25x30x18x9g
Sizes 23, 28, 32
B Parallel shaft with key,
AS 8x7x40, DIN 6885
Sizes 23, 28
P Parallel shaft with key,
AS 8x7x40, DIN 6885
M8; 15 deep
M10; 17 deep

Related product manuals