EasyManua.ls Logo

REXROTH A2FO Series - Unit Dimensions - Size 710; Unit Dimensions - Size 1000

REXROTH A2FO Series
20 pages
Print Icon
To Next Page IconTo Next Page
To Next Page IconTo Next Page
To Previous Page IconTo Previous Page
To Previous Page IconTo Previous Page
Loading...
RE 91 401/09.00 | A2FO Mobile Hydraulics | Bosch Rexroth AG 17/20
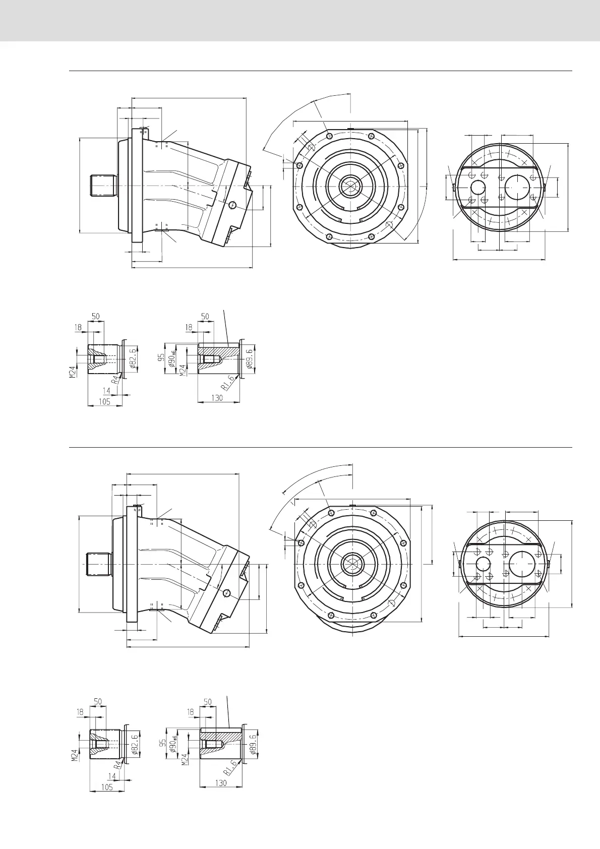
Unit Dimensions, Size 710
Before finalising your design, please request a certified drawing.
Note:
For
anti-clockwise
rotation port
plate is rotated through 180º
Connections
B(A) Service line ports SAE 2"
high pressure series
S Suction port SAE 4"
standard series
T Drain port (1 port plugged) M42x2
U Port for bearing flushing (plugged) M18x1,5
M
A (B)
Gauge port (working pressure) plugged M14x1,5
M
S
Gauge port (suction pressure) plugged M14x1,5
Shaft ends
P Parallel shaft with key,
AS 25x14x125, DIN 6885
p
N
= 350 bar p
N
= 350 bar
Z Splined shaft, DIN 5480
W 90x3x30x28x9g
Connections
B(A) Service line ports SAE 2"
high pressure series
S Suction port SAE 4"
standard series
T Drain port (1 port plugged) M42x2
U Port for bearing flushing (plugged) M18x1,5
M
A (B)
Gauge port (working pressure) plugged M14x1,5
M
S
Gauge port (suction pressure) plugged M14x1,5
Shaft ends
Z Splined shaft, DIN 5480
W 90x3x30x28x9g
P Parallel shaft with key,
AS 25x14x125, DIN 6885
p
N
= 350 bar p
N
= 350 bar
Before finalising your design, please request a certified drawing.
Note:
For
anti-clockwise
rotation port
plate is rotated through 180º
Unit Dimensions, Size 1000
465
22
236
465
22°30´
45°
500
450
156
35
252
T
U
507
102
183
183
ø400
h8
T
14
41,5
50
131
486
18°
30´
44,5
130,2
50
85
70
100
S
B
(A)
77,8
340
96,8
344
M
S
M
B
M24
45°
22
236
465
450
500
465
22
°
30´
45°
340
M24
45°
35
ø 40
156
183
279
143
512
26
°
30´
T
468
50
131
14
41,5
0
h8
183
T
U
130,2
44,5
50
100
85
96,8
70
77,8
S
B
(A)
344
M
B
M
S
M20; 30 deep
M16; 24 deep
M20; 30 deep
M16; 24 deep

Related product manuals