EasyManua.ls Logo

REXROTH A2FO Series - Unit Dimensions - Sizes 107, 125

REXROTH A2FO Series
20 pages
Print Icon
To Next Page IconTo Next Page
To Next Page IconTo Next Page
To Previous Page IconTo Previous Page
To Previous Page IconTo Previous Page
Loading...
RE 91 401/09.00 | A2FO Mobile Hydraulics | Bosch Rexroth AG 13/20
31,8(27,8)
32(25)
66,7(57,2)
82,8
40
°
18
212
T
1
67
18
85
23
40
10
ø160
h6
T
2
190
190
17,5
R 20
45
°
45
°
200
245
110
136
213
12
R
98
275
173
36,5
S
89
B (A)
20
150
35,7
38
69,9
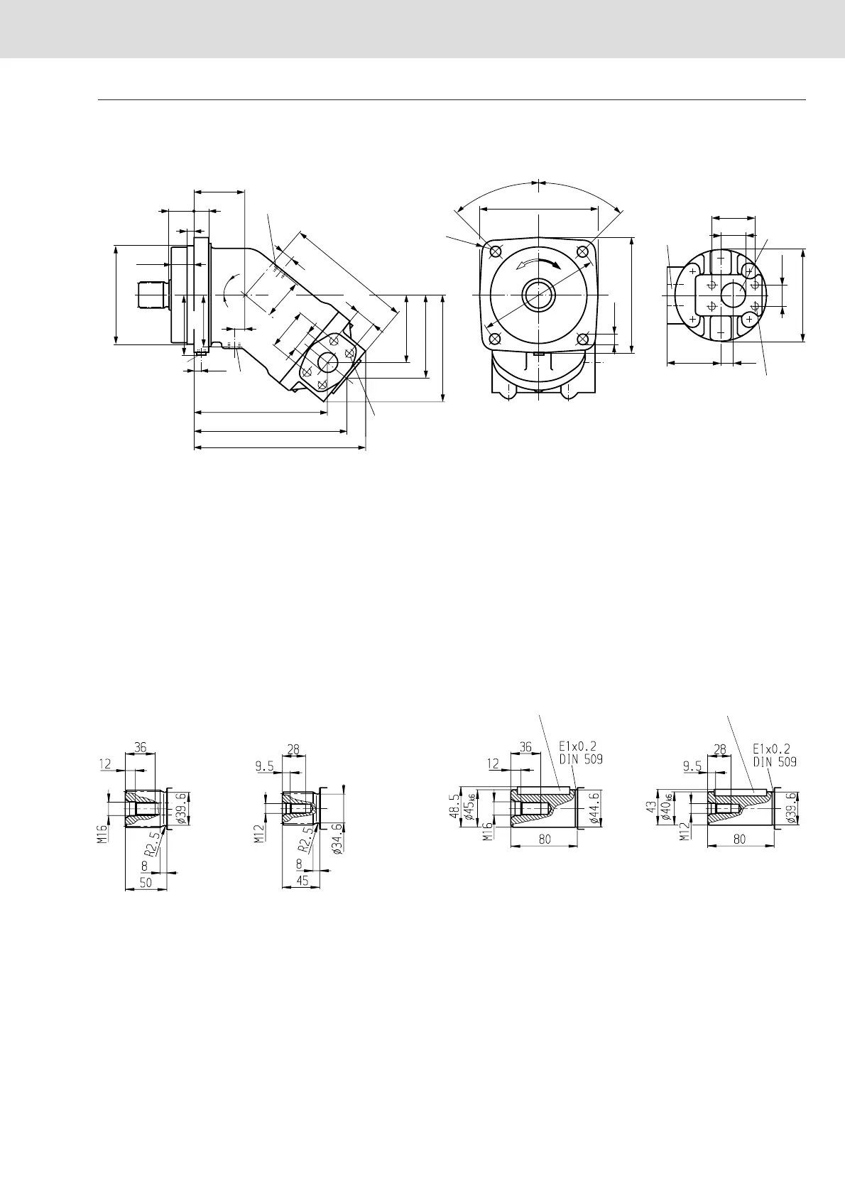
Unit Dimensions, Sizes 107, 125
Dimensions brackets for size 107
Before finalising your design, please request a certified drawing.
Note:
For
anti-clockwise
rotation port
plate is rotated through 180º
Connections
B(A) Service line ports SAE 1 1/4" (1")
420 bar (6000 psi) high pressure series
S Suction port SAE 1 1/2"
210 bar (3000 psi) standard series
T
1
,T
2
Drain port (1 port plugged) M18x1,5
R Air bleed (plugged) M14x1,5
Shaft ends
p
N
= 400 bar p
N
= 400 bar p
N
= 350 bar p
N
= 350 bar
Sizes 107, 125
A Splined shaft, DIN 5480
W 45x2x30x21x9g
Size 107
Z Splined shaft, DIN 5480
W 40x2x30x18x9g
Sizes 107, 125
B Parallel shaft with key,
AS 14x9x63, DIN 6885
Size 107
P Parallel shaft with key,
AS 12x8x63, DIN 6885
M14; 19 deep
(M12; 17 deep)
M12; 20 deep

Related product manuals