EasyManua.ls Logo

REXROTH A2FO Series - Unit Dimensions - Sizes 160, 180

REXROTH A2FO Series
20 pages
Print Icon
To Next Page IconTo Next Page
To Next Page IconTo Next Page
To Previous Page IconTo Previous Page
To Previous Page IconTo Previous Page
Loading...
14/20 Bosch Rexroth AG | Mobile Hydraulics A2FO | RE 91 401/09.00
66,7
32
31,8
T
1
T
2
19,5
233
77,5
12,5
95,5
40
°
93
25
40
10
ø180
h6
210
210
17,5
R 20
45
°
45
°
224
237
271
188
121
R
19,5
108
294
150
37,2
101
B (A)
15
180
35,7
42
69,9
S
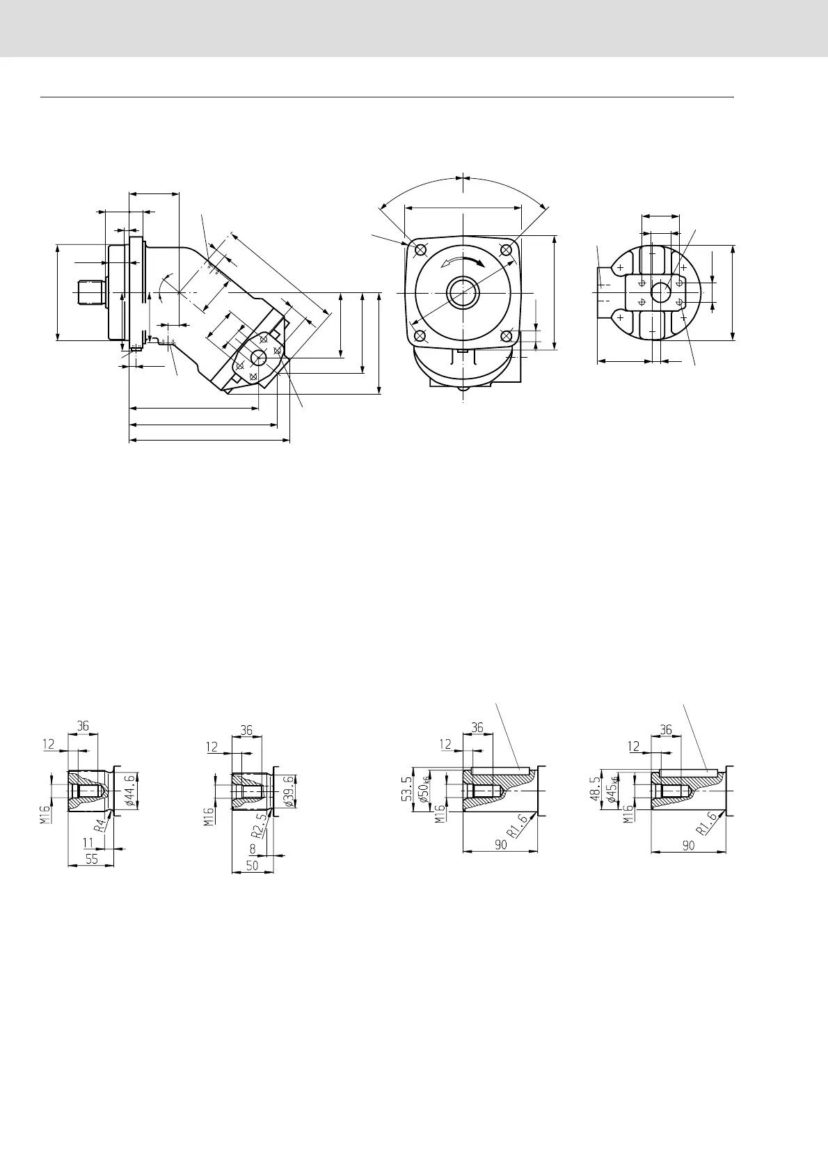
Unit Dimensions, Sizes 160, 180
Before finalising your design, please request a certified drawing.
Note:
For
anti-clockwise
rotation port
plate is rotated through 180º
Connections
B(A) Service line ports SAE 1 1/4"
420 bar (6000 psi) high pressure series
S Suction port SAE 1 1/2"
210 bar (3000 psi) standard series
T
1
,T
2
Drain port (1 port plugged) M22x1,5
R Air bleed (plugged) M14x1,5
Shaft ends
p
N
= 400 bar p
N
= 400 bar p
N
= 350 bar p
N
= 350 bar
Sizes 160, 180
A Splined shaft, DIN 5480
W 50x2x30x24x9g
Size 160
Z Splined shaft, DIN 5480
W 45x2x30x21x9g
Sizes 160, 180
B Parallel shaft with key,
AS 14x9x70, DIN 6885
Size 160
P Parallel shaft with key,
AS 14x9x70, DIN 6885
M14; 19 deep
M12; 20 deep

Related product manuals