EasyManua.ls Logo

Riello 20032946 - Page 43

Riello 20032946
48 pages
Print Icon
To Next Page IconTo Next Page
To Next Page IconTo Next Page
To Previous Page IconTo Previous Page
To Previous Page IconTo Previous Page
Loading...
41
20033283
GB
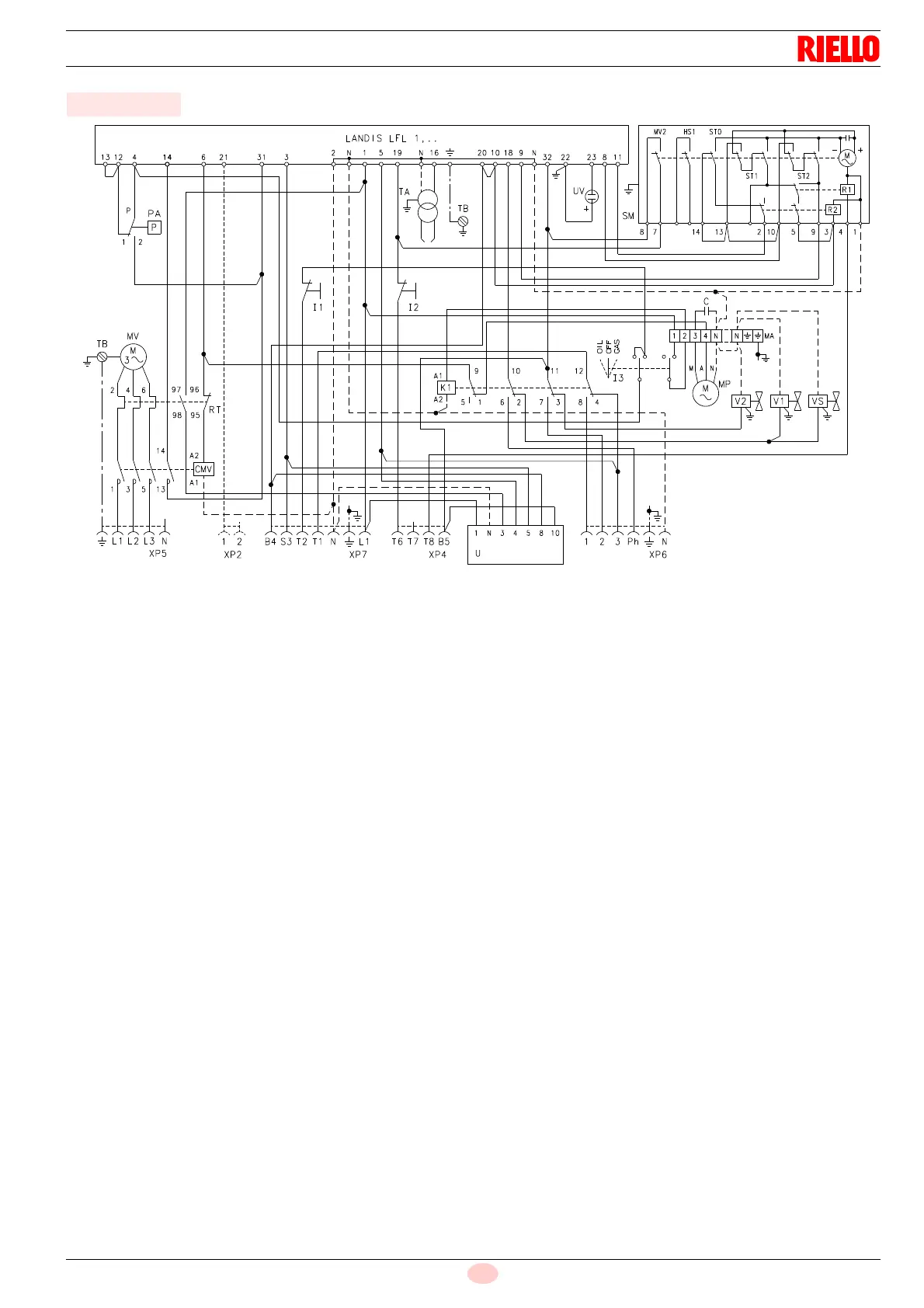
Appendix - Electrical panel layout
Key to layout (Fig. 1 - Fig. 2 - Fig. 3)
A-Blue
B-White
M-Brown
N-Black
C - Capacitor
CMV - Motor contactor
K1 - Relay
LFL 1.... - Control box
I1 - Switch: burner off - on
I2 - Switch: 1
st
- 2
nd
stage operation
I3 - OIL/GAS selector
MA - Terminal strip
MV - Fan motor
MP - Pump motor
PA - Air pressure switch
RT - Thermal cut-out
SM - Servomotor
TA - Ignition transformer
TB - Burner ground
XP2 - 2 pole socket (if present)
XP4 - 4 pole socket
XP5 - 5 pole socket
XP6 - 6 pole socket
XP7 - 7 pole socket
U - LED PANEL
UV - UV cell
V1 - 1
st
stage oil valve
V2 - 2
nd
stage oil valve
VS - Safety oil valve
RLS 50
20126464
Fig. 3

Table of Contents

Related product manuals