EasyManua.ls Logo

Riello 20032946 - Page 44

Riello 20032946
48 pages
Print Icon
To Next Page IconTo Next Page
To Next Page IconTo Next Page
To Previous Page IconTo Previous Page
To Previous Page IconTo Previous Page
Loading...
20033283
42
GB
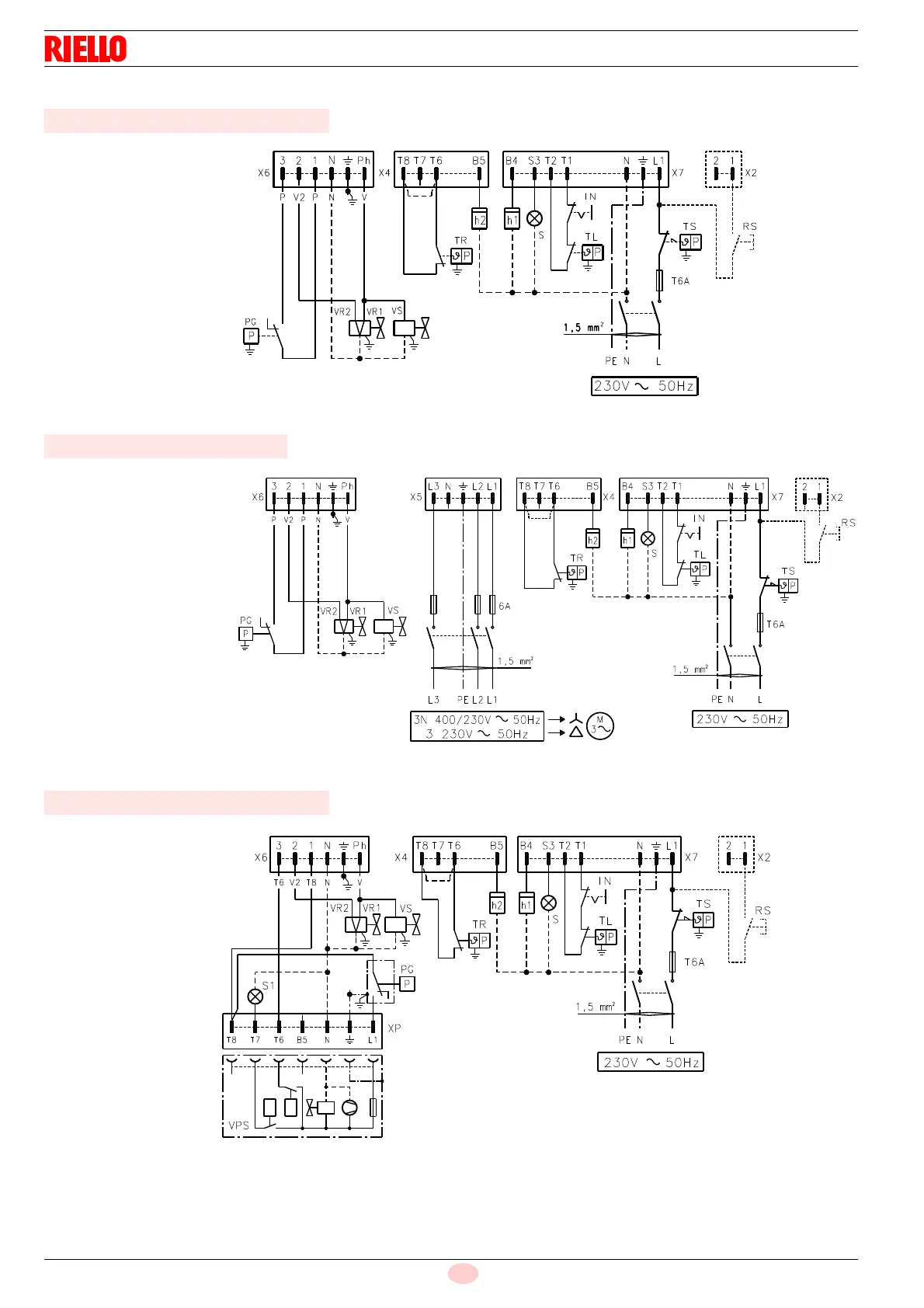
Appendix - Electrical panel layout
TO BE COMPLETED BY THE INSTALLER
RLS 28 - 38 (single-phase power)
D3489
WITHOUT LEAK DETECTION
CONTROL DEVICE
Fig. 4
WITHOUT LEAK DETECTION
CONTROL DEVICE
Fig. 5
D3491
RLS 50 (three-phase power)
Fig. 6
WITH VPS LEAK DETECTION
CONTROL DEVICE
D3490
RLS 28 - 38 (single-phase power)

Table of Contents

Related product manuals