EasyManua.ls Logo

Riello 3790401 - Page 19

Riello 3790401
Print Icon
To Next Page IconTo Next Page
To Next Page IconTo Next Page
To Previous Page IconTo Previous Page
To Previous Page IconTo Previous Page
Loading...
17
2903411
I
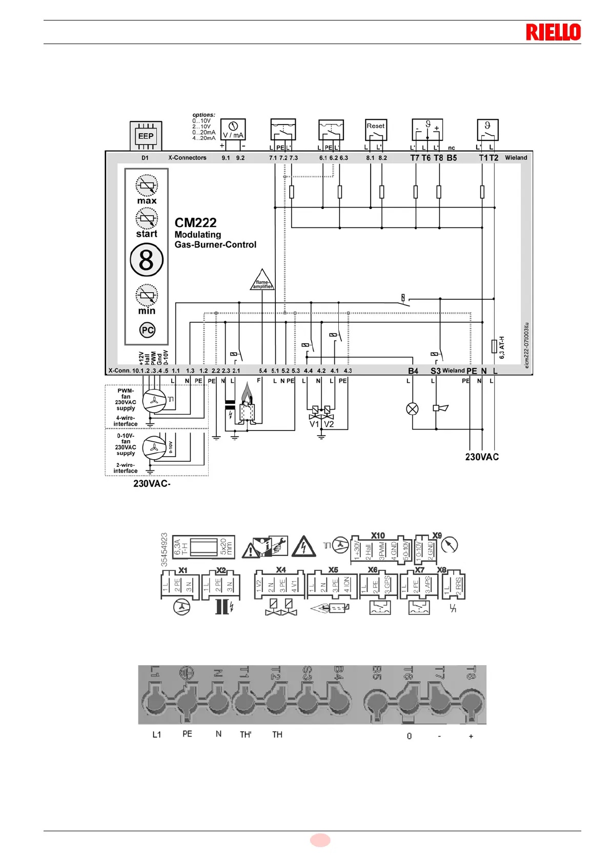
SCHEMI CONNESSIONI
Motore Accensione Valvole gas Fiamma Min. Gas Min. Aria Reset
Blocco
Chip Ingresso
Card
(optional)
modulazione
Pressostato
aria
Pressostato
gas
Reset
remoto
(min.) (min.)
Comando
3 punti
Termostato
Controllo
Bruciatore
Accensione Fiamma
Valvole
sicurezza
Funzionamento
Blocco
Fusibile
Funzionamento
Comando 3 punti
Motore
Comando
motore
PWM

Table of Contents

Related product manuals