EasyManua.ls Logo

Riello 3790401 - Page 37

Riello 3790401
Print Icon
To Next Page IconTo Next Page
To Next Page IconTo Next Page
To Previous Page IconTo Previous Page
To Previous Page IconTo Previous Page
Loading...
17
2903411
D
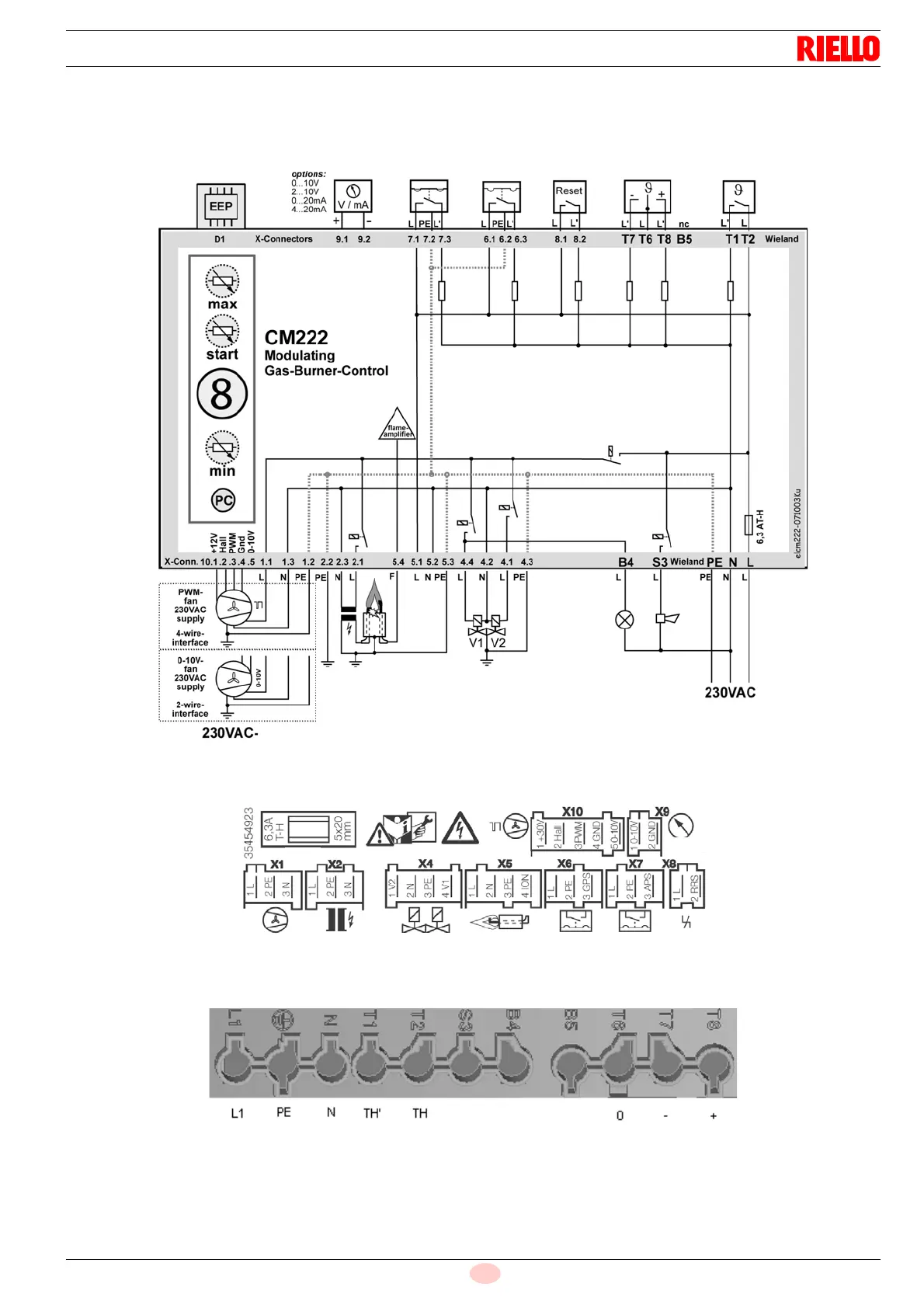
ANSCHLUSSPLÄNE
Motor Zündung Gasventile Flamme Min. Gas Min. Luft Reset
Störabschaltung
Chip Eingang
Card
(optional)
Modulation
Druckwächter
Luft
Druckwächter
Gas
Reset
ferngesteuert
(min.) (min.)
Steuerung
3 Punkte
Thermostat
Steuerung
Brenner
Zündung Flamme
Ventile
Sicherheit
Betrieb
Störabschaltung
Sicherung
Betrieb
Steuerung 3 Punkte
Motor
Steuerung
Motor
PWM

Table of Contents

Related product manuals