EasyManua.ls Logo

Riello 40 FS10 - Installation Électrique; Installation Électrique Standard

Riello 40 FS10
Print Icon
To Next Page IconTo Next Page
To Next Page IconTo Next Page
To Previous Page IconTo Previous Page
To Previous Page IconTo Previous Page
Loading...
5
2736
F
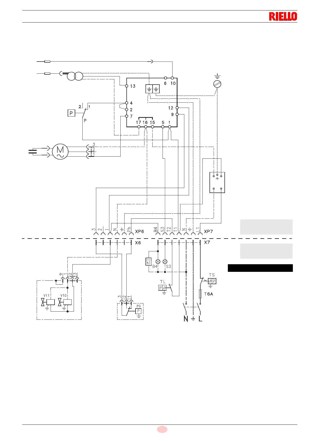
3.4 INSTALLATION ELECTRIQUE
ATTENTION:
Ne pas inverser le neutre et la phase, respecter exactement le schéma indiqué et brancher correctement à la terre.
La section des conducteurs doit être d'au moins 1 mm. (Sauf des indications diffÈrentes prÈvues par les normes et les
lois locales).
Les branchements électriques exécutés par l’installateur doivent respecter le règlement en vigueur dans le Pays.
Vérifier l’arrêt du brûleur en ouvrant le thermostat de chaudière et la mise en sécurité en débranchant le connecteur
inséré dans le fil rouge de la sonde de révélation flamme, extérieur à la boîte de contrôle.
REMARQUES
Les brûleurs ont été homologués pour un fonctionnement intermittent, ce qui signifie qu'ils doivent obligatoirement s'arrêter
au moins une fois toutes les 24 heures pour permettre à la boîte de contrôle électrique de vérifier son efficacité au démarra-
ge. L'arrêt du brûleur est normalement assuré par le thermostat limite (TL) de la chaudière. Si ce n'est pas le cas, il est né-
cessaire de monter un interrupteur horaire à côté du thermostat limite (TL) pour qu'il arrête le brûleur au moins une fois
toutes les 24 heures.
Sonde
Transf. d’allumage
Electrode
Moteur
Condensateur
Terre brûleur
230V
~
50Hz
Antiparasite
Pressostat air
Bleu
Blanc
Noir
D4275
Connecteur
3.4.1 INSTALLATION ÉLECTRIQUE STANDARD
LEGENDE
XP6 – Prise 6 pôles
XP7 – Prise 7 pôles
X6 – Fiche 6 pôles
X7 – Fiche 7 pôles
B4 – Signalisation de fonc-
tionnement
h1 – Compteur horaire
PG Pressostat gaz mini
S3 – Signalisation de sécu-
rité à distance
(230V -
0,5A max.)
T6A – Fusible
TL – Thermostat de limite
TS – Thermostat de sécurité
V10 – Vanne de sécurité
V11 – Vanne de réglage
Boîte
RMG 88.620A2
de contrôle
En cas d’alimentation
phase/ phase, il est né-
cessaire de relier la borne
6 à la borne de terre dans
le bornier de la boîte de
contrôle.
ATTENTION
A LA CHARGE DE
L’INSTALLATEUR
REALIZE
EN USINE

Table of Contents

Related product manuals