EasyManua.ls Logo

Riello 40 FS10 - Collegamenti Elettrici; Collegamenti Elettrici Standard

Riello 40 FS10
Print Icon
To Next Page IconTo Next Page
To Next Page IconTo Next Page
To Previous Page IconTo Previous Page
To Previous Page IconTo Previous Page
Loading...
5
2736
I
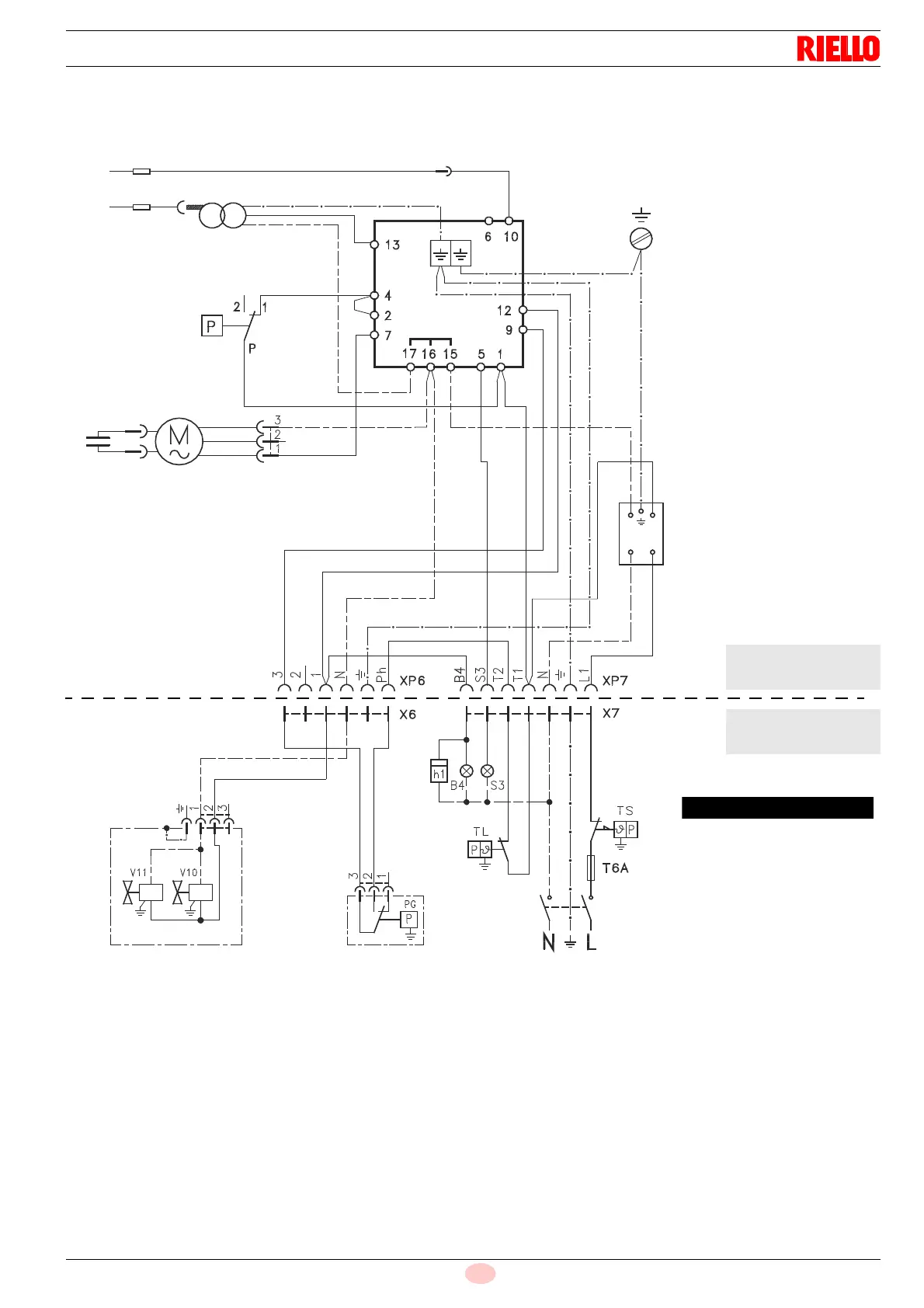
3.4 COLLEGAMENTI ELETTRICI
ATTENZIONE:
Non scambiare il neutro con la fase, rispettare esattamente lo schema indicato ed eseguire un buon
collegamento di terra.
La sezione dei conduttori deve essere di min. 1 mm
2
. (Salvo diverse indicazioni di norme e leggi locali).
I collegamenti elettrici eseguiti dall’installatore devono rispettare le norme vigenti nel paese.
Verificare l’arresto del bruciatore aprendo il termostato di caldaia e il blocco aprendo il connettore inserito nel
filo rosso della sonda, posto all’esterno dell’apparecchiatura.
NOTE:
I bruciatori sono stati omologati per funzionamento intermittente.
Ciò significa che devono fermarsi almeno 1 volta ogni 24 ore per permettere all’apparecchiatura elettrica di ef-
fettuare un controllo della propria efficienza all’avviamento. Normalmente l’arresto del bruciatore viene assicu-
rato dal termostato limite (TL) della caldaia. Se così non fosse, è necessario applicare in serie a (TL) un
interruttore orario che provveda all’arresto del bruciatore almeno una volta ogni 24 ore.
Sonda
Trasformatore
Elettrodo
Motore
Condensatore
230V
~
50Hz
Filtro antidisturbi
Pressostato aria
Blu
Bianco
Nero
Apparecch
.
RMG 88.620A2
radio
D4275
Connettore
d’accensione
3.4.1 COLLEGAMENTI ELETTRICI STANDARD
LEGENDA
XP6 – Presa 6 poli
XP7 – Presa 7 poli
X6 – Spina 6 poli
X7 – Spina 7 poli
B4 – Segnalazione funziona-
mento
h1 – Contaore
PG Pressostato gas
minima
S3 – Segnalazione di blocco
a distanza
(230V - 0,5A
max.)
T6A – Fusibile
TL – Termostato di limite
TS – Termostato di sicurezza
V10 – Valvola di sicurezza
V11 – Valvola di regolazione
In caso di alimentazione
fase-fase è necessario
eseguire un ponte nella
morsettiera dell’apparec-
chiatura tra il morsetto 6 e
il morsetto di terra.
Terra bruciatore
A CURA
DELLINSTALLATORE
ESEGUITO
IN FABBRICA

Table of Contents

Related product manuals