EasyManua.ls Logo

Riello 40 FS10 - Electrical Wiring; Standard Electrical Wiring

Riello 40 FS10
Print Icon
To Next Page IconTo Next Page
To Next Page IconTo Next Page
To Previous Page IconTo Previous Page
To Previous Page IconTo Previous Page
Loading...
5
2736
GB
3.4 ELECTRICAL WIRING
ATTENTION:
Do not swap neutral and phase over, follow the diagram shown carefully and carry out a good earth connection.
The section of the conductors must be at least 1mm. (Unless requested otherwise by local standards and legislation).
The electrical wiring carried out by the installer must be in compliance with the rules in force in the country.
Verify that the burner stops by operating the boiler control thermostats and that the burner locks out by separating
the red ionisation probe lead connector.
NOTES
The burners have been type-approved for intermittent operation. This means they must stop at least once every 24 hours in
order to allow the electrical control box to check its efficiency on start-up. The boiler limit thermostat (TL) normally ensures
the burner halts. If this does not happen a time switch halting the burner at least once every 24 hours must be applied in se-
ries to limit thermostat (TL).
Ionization probe
Electrode
Motor
Capacitor
Burner earth
230V
~
50Hz
Air pressure switch
Blue
White
Black
Control box
RMG 88.620A2
Suppressor
D4275
Connector
Ignition transformer
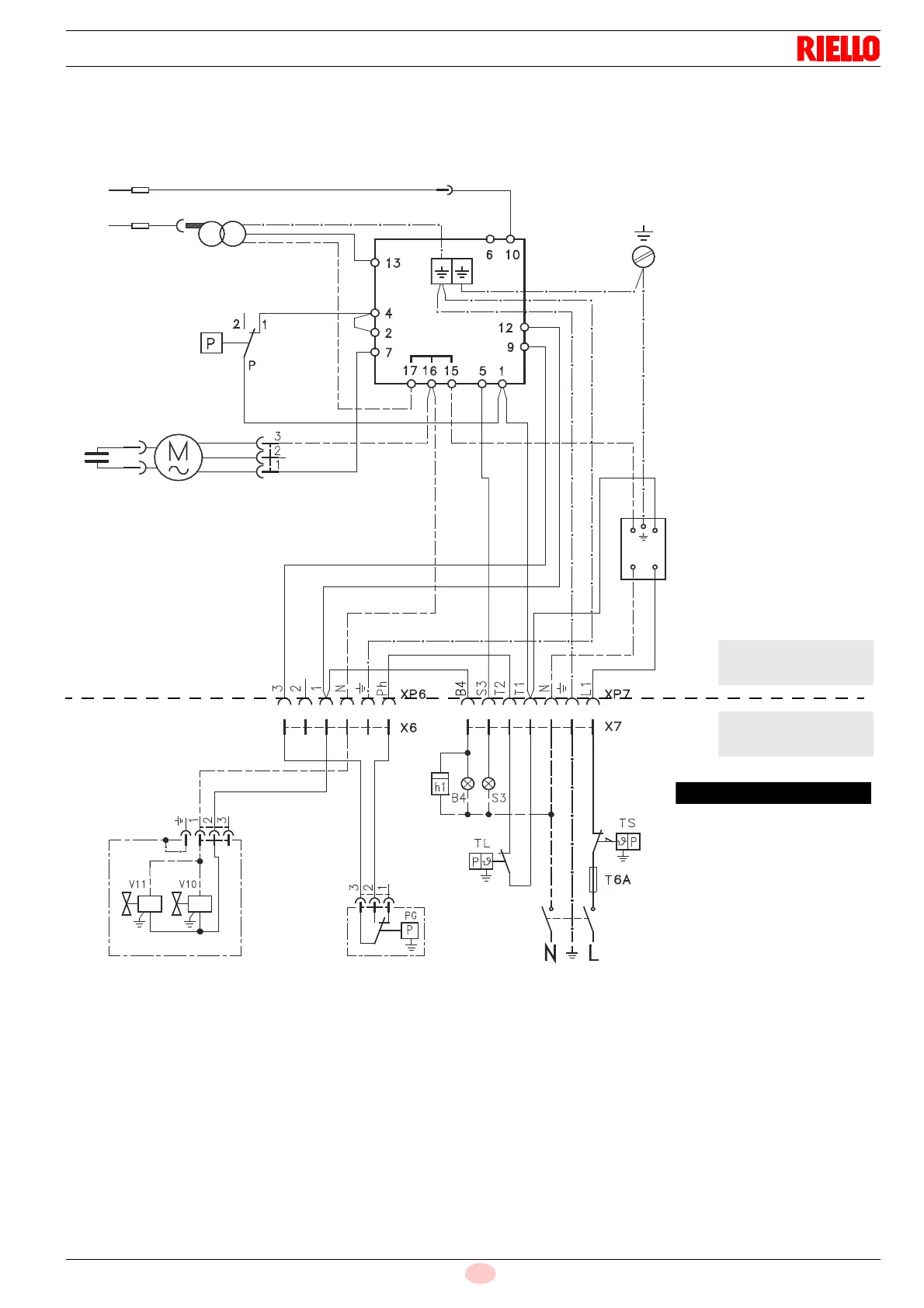
3.4.1 STANDARD ELECTRICAL WIRING
KEY TO LAY-OUT
XP6 – 6 pole socket
XP7 – 7 pole socket
X6 – 6 pin plug
X7 – 7 pin plug
B4 – Working signal
h1 – Hour counter
PG – Minimum gas pressure
switch
S3 – Remote lock-out signal
(230V - 0.5 A max.)
T6A – Fuse
TL – Limit thermostat
TS – Safety thermostat
V10 – Safety valve
V11 – Adjustment valve
In the case of phase-
phase feed, a bridge must
be fitted on the control
box terminal board be-
tween terminal 6 and the
earth terminal.
ATTENTION
TO BE DONE BY
THE INSTALLER
CARRIED-OUT
IN THE FACTORY

Table of Contents

Related product manuals