EasyManua.ls Logo

Riello 40 FS10 - Elektrische Installatie; Standaard Elektrische Installatie

Riello 40 FS10
Print Icon
To Next Page IconTo Next Page
To Next Page IconTo Next Page
To Previous Page IconTo Previous Page
To Previous Page IconTo Previous Page
Loading...
5
2736
NL
3.4 ELEKTRISCHE INSTALLATIE
OPGELET:
Verwissel de nulleider niet met de fase, volg het weergegeven schema nauwkeurig en zorg voor een goede
aardaansluiting.
De doorsnede van de geleiders moet minstens 1 mm
2
. (Mits anders voorgeschreven door plaatselijke normen en wetten).
De elektrische aansluitingen die de installateur uitvoert, moeten voldoen aan de in het land van kracht zijnde reglementering.
De stilstand van de brander controleren door de ketelthermostaat te openen, de vergrendeling (veiligheid) controle-
ren door de rode draad los te koppelen van de ionisatiesonde, buiten de controledoos.
OPGELET
De branders zijn goedgekeurd voor intermitterende werking. Dit betekent dat ze minstens 1 maal in de 24 uur moeten stop-
pen zodat de elektrische controledoos de efficiëntie bij het starten kan controleren. Gewoonlijk wordt de stilstand van de
brander verzekerd door de limietthermostaat (TL) van de ketel. Indien dit niet het geval is moet er in serie met de limietther-
mostaat (TL) een timer geplaatst worden die de brander minstens een maal per 24 uur laat stoppen.
Voeler
Ontstekingselectrode
Motor
Condensator
Aarding brander
230V
~
50Hz
Verliesstroomschakelaar
Blauw
Wit
Zwart
Controledoos
RMG 88.620A2
D4275
Stekker
Ontstekingstransfo
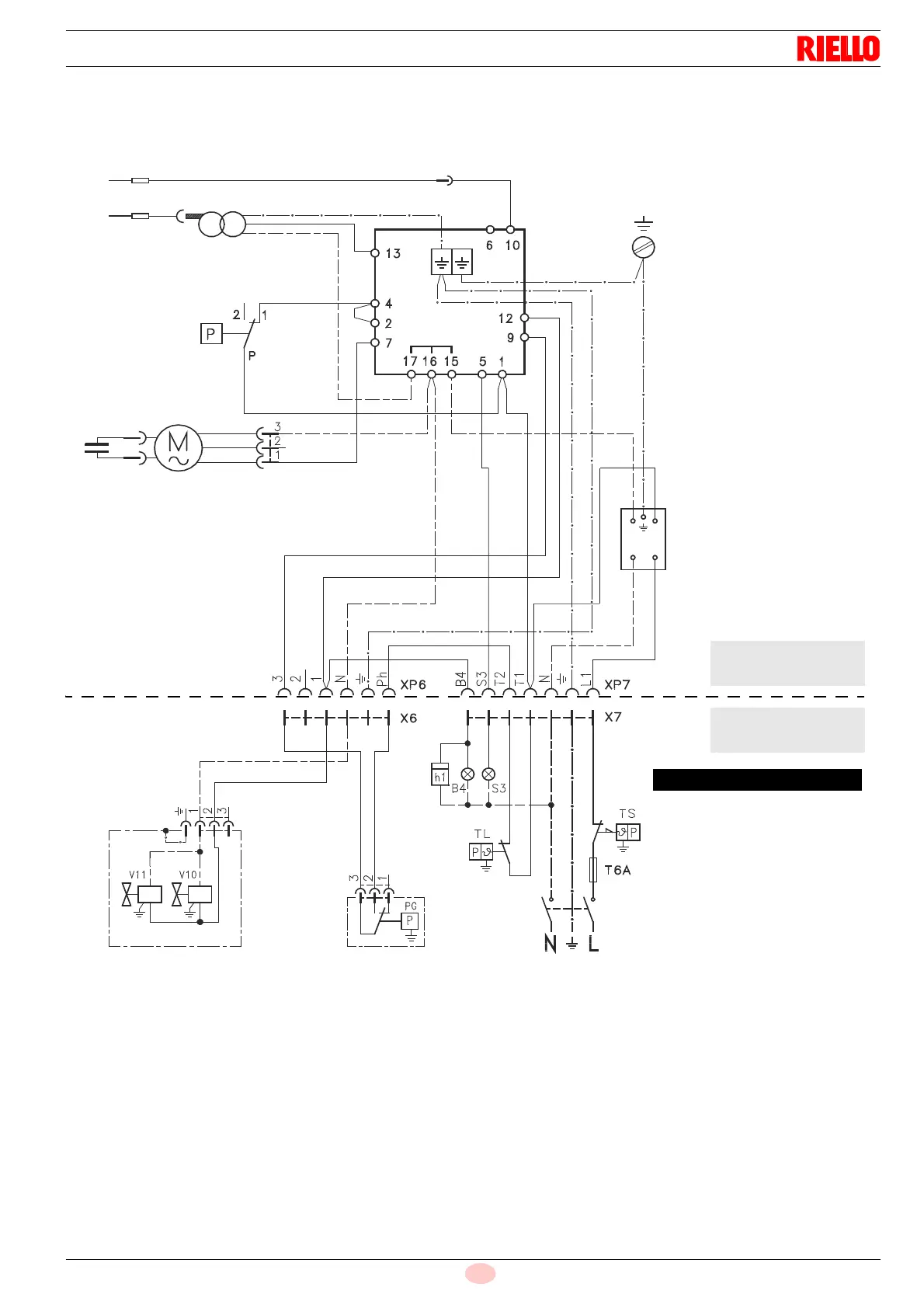
3.4.1 STANDAARD ELEKTRISCHE INSTALLATIE
LEGENDE
XP6 – 6-polige vrouwelijke
stekker
XP7 – 7-polige vrouwelijke
stekker
X6 – 6-polige mannelijke stek-
ker
X7 – 7-polige mannelijke stek-
ker
B4 – Werkingssignalisatie
h1 – Urenteller
PG Luchtdrukschakelaar
S3 – Controlelampie vergren-
deling
(230V - 0,5A max.)
T6A – Zekering
TL – Limietthermostaat
TS – Veiligheidsthermostaat
V10 – Veiligheidsventiel
V11 – Regelventiel
Luchtdrukschakelaar
In geval van fase-fase voe-
ding moet er een brug ge-
maakt worden in het
klemmenbord van de con-
troledoos tussen de klem 6
en de aardingsklem.
OPGELET
TEN LASTE VAN
DE INSTALLATEUR
UITGEVOERD
IN DE FABRIEK

Table of Contents

Related product manuals